Interface: IO,Uart
Canaliser: 1 canal
la communication: Sens Unique
Distance ouverte (km): 4~5
Taille (mm):49,5*32,2 (TX) 82*45 (RX)
Les paramètres électriques du module SK200-TX sont les suivants :
| Modèle | SK200-TX-100 mW |
| Puissance de transmission | 20 dBm |
| Tension de fonctionnement (plage) | 5 V (3,3 V ~ 6,5 V) |
| Courant de sommeil | 200 µA |
| Courant de repos | 15 mA |
| Courant d'émission | 130 mA |
| Taille (mm) | 49,5*32,2*3,2 |
| Plage de température de fonctionnement | -40℃~85℃ |
Les paramètres électriques du module SK200-RX sont les suivants :
| Paramètre | Le plus petit | Typique | Le plus grand | Unité | Condition |
| Conditions de fonctionnement | |||||
| Plage de tension de fonctionnement | 5 | 12 | 30 | V | |
| Charge du relais | < 10 | UN | @220V | ||
| Paramètre de fréquence radio | |||||
| Recevoir le courant | < 10 | mA | @12V | ||
| Sensibilité de réception | -132 | dBm | |||
| Interface | E/S, Uart |
| Canal | 1 canal |
| Communication | Sens Unique |
| Distance ouverte (km) | 9 à 10 |
La description de l'interface du module récepteur SK200-RX est présentée dans la figure suivante :

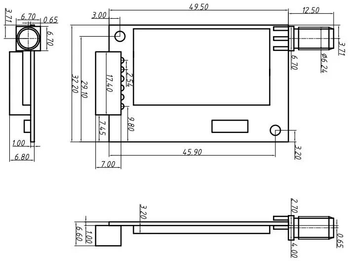
La description de l'interface du module émetteur SK200PRO-TX est présentée dans la figure suivante :
SK200-TX-100mW :

| Définition de la broche | Description |
| VCC | Connectez-vous au pôle positif |
| GND | Sol |
| TXD | Pour le réglage des paramètres du mode de configuration |
| RXD | Pour le réglage des paramètres du mode de configuration |
| ENSEMBLE | Activation du paramètre de configuration (configuration du paramètre d'activation de bas niveau, sortie de haut niveau par défaut) |
| CS | Broche d'entrée du signal de commutation (avec pull-up interne) |
Module émetteur
SK200PRO-TX-100mW

Module récepteur SK200-RX

politique de confidentialité
· Politique de confidentialité
Il n'y a actuellement aucun contenu disponible
Courriel : sales@nicerf.com
Tél : +86-755-23080616