Attestation: Autres
Modulation: LoRa
Interface: TTL
Puissance de sortie: 1W
La fréquence: 410~490 MHz
Réseau: Autres
Taille (mm):39,3*24
Le SA618F22-C1 est un module de transmission numérique et audio sans fil full duplex tout-en-un amélioré de notre société. Il offre une latence réduite et prend en charge des appels haute qualité jusqu'à 8 utilisateurs simultanément. Les utilisateurs peuvent transmettre des données sans fil via le port série et transmettre des signaux vocaux via microphone, entrée ligne ou I2S. Le module est équipé d'un microcontrôleur haute vitesse, d'un circuit d'annulation d'écho, d'une protection ESD, d'une puce RF hautes performances et d'un amplificateur, utilisant la technologie d'étalement de spectre à large bande. Il offre une faible consommation d'énergie, une longue portée et un réglage flexible de la fréquence. Le SA618F22-C1 prend en charge la réception et le relais simultanés multicanaux dans un réseau maillé.
Le SA618F22-C1 permet une communication full duplex via le port série et offre une transmission de données sans fil avec des fonctionnalités de réseau maillé. Il prend en charge les mises à niveau OTA (Over-The-Air) ou du port série, permettant ainsi aux utilisateurs de définir facilement les paramètres internes et de contrôler les fonctions de transmission via le port série. Le SA618F22-C1 est équipé de dispositifs de surveillance matériels et logiciels pour prévenir les pannes système et inclut des circuits de protection contre les inversions de polarité, les surintensités et les surtensions, garantissant un fonctionnement sûr et stable de l'appareil dans divers environnements. Fabriqué et testé selon des procédés sans plomb rigoureux, il est conforme aux normes RoHS et REACH, et est certifié CE et FCC.
Paramètres | Condition | Min. | Typique | Max. | Unité |
Alimentation électrique | 2.3 | 3.3 | 3.6 | V | |
Température de fonctionnement | -30 | 25 | 70 | °C | |
Consommation actuelle | |||||
Courant de sommeil | 12 | uA | |||
Courant RX | @pas de sortie vocale | 50 | mA | ||
Courant TX (haute puissance) | @22dBm en moyenne | 60 | mA | ||
Paramètres RF | |||||
Fréquence de fonctionnement | UHF | 420 | 510 | MHz | |
Fréquence personnalisable | 150 | 960 | MHz | ||
Fréquence d'expédition par défaut | UHF (intervalle de 1 MHz) | 440.125 | 455.125 | MHz | |
Puissance de transmission | Défaut | 0 | 22 | dBm | |
Deuxième harmonique | -40 | dBm | |||
Bande passante ( BW) | 500 | kHz | |||
Sensibilité de réception | -117 | dBm | |||
Paramètres audio | |||||
sensibilité de modulation | 10 | 100 | mV | ||
Rapport signal/bruit de réception (SNR) | 90 | dB | |||
Réponse en fréquence | 60 | 3800 | Hz | ||
Sortie vocale ( sortie ligne) | Charge 16 Ω | 40 | mW | ||
Paramètres de retard | 8 canaux | 160 | 200 | 240 | MS |
Bande de fréquence UHF 420-510 MHz (personnalisable 150-960 MHz)
Jusqu'à 8 appareils transmettent simultanément (réception illimitée)
Fonction d'annulation d'écho
Fonction VOX
Haute intégration et taille compacte
Faible consommation d'énergie en mode veille
Distance de transmission de 1 à 3 km en zone ouverte
Prend en charge 2 à 8 personnes dans des appels simultanés de haute qualité
Latence d'appel plus courte
I2S Audio numérique + audio analogique
Entrée ligne + entrée micro
Transmission de données en duplex intégral
Réseau maillé
Prise en charge de la mise à niveau OTA et série
Haute sensibilité de réception : -117 dBm
Communication d'urgence en cas d'incendie
Métro, communication par tunnel
Système d'interphone pour la conduite
Talkie-walkie duplex intégral de haute qualité
Système de conférence téléphonique
Construire un système de sécurité communautaire
Système d'interphone de sécurité pour scénarios spéciaux
Talkie-walkie avec écouteurs
Talkie-walkie pour mission spéciale
Circuit d'application d'entrée et de sortie analogique (amplificateur audio intégré)

Circuit d'application d'entrée et de sortie analogique (amplificateur audio externe)

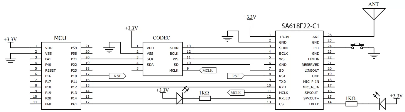
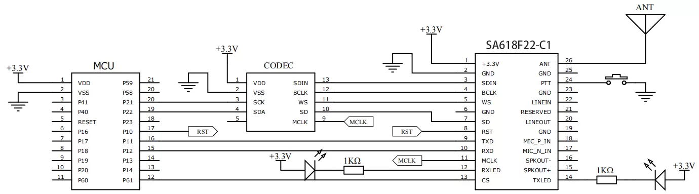
Circuit d'application d'entrée et de sortie IIS


Broche N° | Nom de la broche | E/S | Description |
1 | +3,3 V | Connectez-vous à l'alimentation positive (2,3-3,6 V) | |
2,6,19,23,25 | GND | Connectez-vous à l'alimentation négative | |
3 | SDIN | je | I2S externe (0-3,3 V) |
4 | BCLK | O | I2S externe (0-3,3 V) |
5 | WS | O | I2S externe (0-3,3 V) |
7 | SD | O | I2S externe (0-3,3 V) |
8 | RST | je | Broche de réinitialisation du module, tirez vers le bas pendant plus de 5 ms pour réinitialiser le module |
9 | TXD | O | Broche de transmission du port série du module |
10 | RXD | je | Broche de réception du port série du module |
11 | MCLK | O | I2S externe (0-3,3 V) |
12 | RXLED | O | Indicateur de réception, connecté à une LED externe, s'allume par une sortie de faible niveau lorsque des données ou de la voix sont reçues (une résistance de 1 kohm est suggérée pour la limitation du courant). |
13 | CS | je | La broche de veille du module, niveau haut pour le fonctionnement et |
14 | TXLED | O | Indicateur de transmission, connecté à une LED externe, s'allume par une sortie de faible niveau lorsque des données ou de la voix sont transmises (une résistance de 1 kohm est suggérée pour la limitation du courant). |
15 | SPKOUT+ | O | Connexion externe haut-parleur 8Ω 2W |
16 | SPKOUT- | O | Connexion externe haut-parleur 8Ω 2W |
17 | MIC_N_IN | je | Électrode négative du microphone externe |
18 | MIC_P_IN | je | Électrode positive du microphone externe |
20 | SORTIE_LIGNE | O | Connecté avec des écouteurs 16 Ω |
21 | Réservé | Broche de test du module, l'utilisateur doit la laisser déconnectée | |
22 | LIGNE_D'ENTRÉE | je | Entrée de ligne, maximum 1 VRMS |
24 | PTT | je | Appuyez pour parler, tirez vers le bas pour entrer en mode transmission, tirez vers le haut ou laissez ouvert pour entrer en mode réception, tirez vers le haut en interne, |
26 | FOURMI | Connecté avec une antenne 50 ohms |

politique de confidentialité
· Politique de confidentialité
Il n'y a actuellement aucun contenu disponible
Courriel : sales@nicerf.com
Tél : +86-755-23080616