SA628F22 : module audio sans fil duplex intégral à fréquence d'échantillonnage de 8 K
Type: Wireless Audio
Certification: Others
Output Power: 160mW
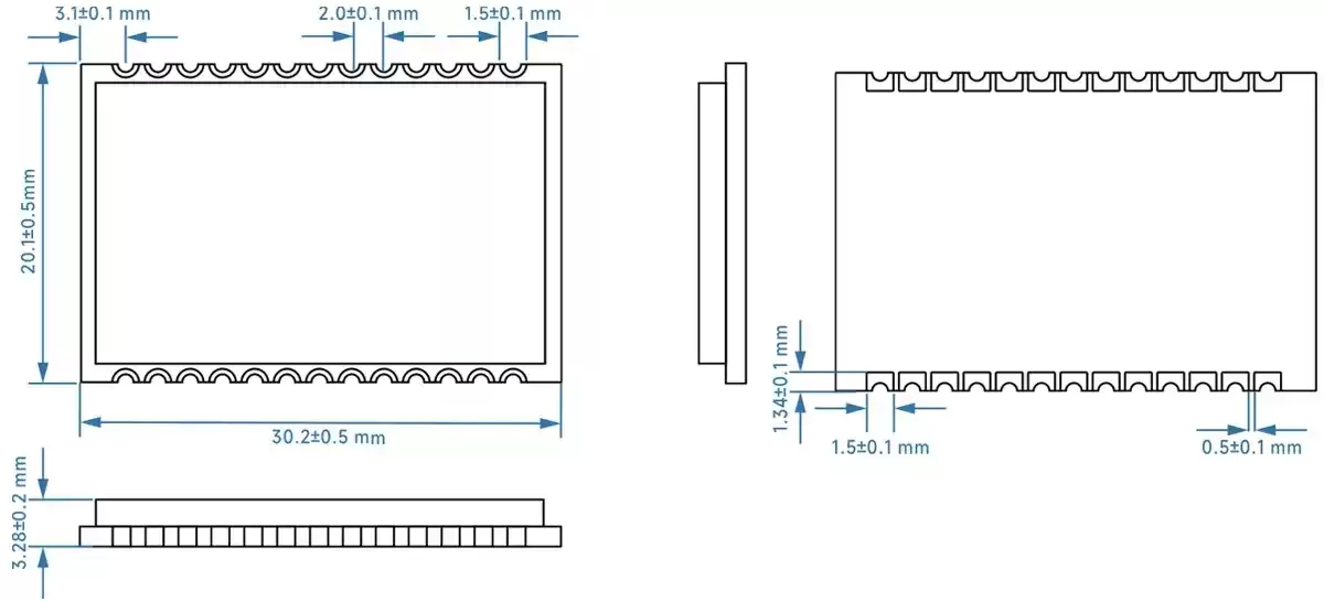
Taille (mm):48,1*33,9
| Paramètre | Conditions de test | Min. | Typique | Max. | Unité |
| Tension de fonctionnement | 2.3 | 3.3 | 3.6 | V | |
| température de fonctionnement | -30 | 25 | 70 | °C | |
| Consommation actuelle | |||||
| Courant de sommeil | 12 | uA | |||
| courant RX | @ Pas de sortie audio | 50 | mA | ||
| @8Ω, sortie audio 1W | 300 | ||||
| courant TX | 3,3 V, à 22 dBm | 110 | mA | ||
| Paramètre RF | |||||
| Fréquence de fonctionnement | UHF | 420 | 510 | MHz | |
| Fréquence personnalisable | 150 | 960 | MHz | ||
| Valeur de fréquence par défaut pour 16 canaux | UHF (intervalle de 1 MHz) | 440.125 | 455.125 | MHz | |
| Puissance de transmission | Par défaut : 22 dBm | 0 | 22 | dBm | |
| Deuxième harmonique | -40 | dBm | |||
| Bande passante (BW) | 500 | kHz | |||
| Sensibilité de réception | -117 | dBm | |||
| Paramètres audio | |||||
| Sensibilité de modulation | 10 | 100 | mV | ||
| Rapport signal/bruit de réception (SNR) | 90 | dB | |||
| réponse en fréquence | 60 | 3800 | Hz | ||
| Sortie audio (sortie ligne) | Charge 16 Ω | 40 | mW | ||
| Paramètres de retard | 2 canaux | 80 | 100 | 120 | MS |
| 3 canaux | 120 | 160 | 180 | MS | |
| 4 canaux | 160 | 200 | 240 | MS | |
| 6 canaux | 240 | 300 | 360 | MS | |
| 8 canaux | 320 | 400 | 480 | MS | |
| Taper | audio sans fil |
| Puissance de sortie | 160 mW |

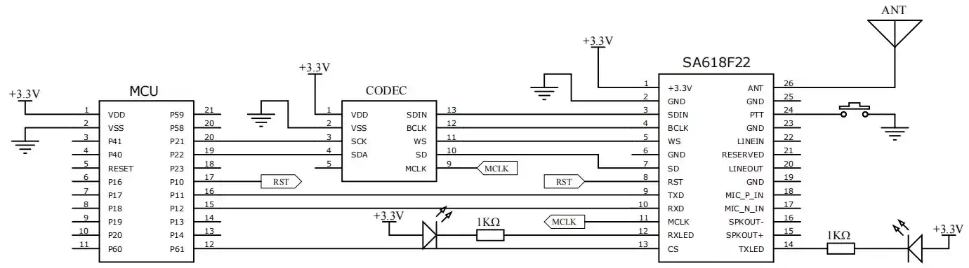
Circuit d'application d'entrée et de sortie analogique (amplificateur audio externe)



| Broche N° | Nom de la broche | E/S | Description |
| 1 | +3,3 V | 2,3-3,6 V | |
| 2,6,19,23,25 | GND | Sol | |
| 3 | SDIN | je | I2S externe (0-3,3 V) |
| 4 | BCLK | O | I2S externe (0-3,3 V) |
| 5 | WS | O | I2S externe (0-3,3 V) |
| 7 | SD | O | I2S externe (0-3,3 V) |
| 8 | RST | je | Broche de réinitialisation du module, tirer vers le bas de l'extérieur pendant plus de 5 ms réinitialisera le module |
| 9 | TXD | O | Communication série |
| 10 | RXD | je | Communication série |
| 11 | MCLK | O | I2S externe (0-3,3 V) |
| 12 | RXLED | O | Indicateur de réception, connecté à une LED externe, s'allume par une sortie de faible niveau lorsque des données ou de la voix sont reçues (une résistance de 1 kohm est suggérée pour la limitation du courant). |
| 13 | CS | je | Entrée flottante, niveau bas pour entrer en veille |
| 14 | TXLED | O | Indicateur de transmission, connecté à une LED externe, s'allume par une sortie de faible niveau lorsque des données ou de la voix sont transmises (une résistance de 1 kohm est suggérée pour la limitation du courant). |
| 15 | SPKOUT+ | O | Connexion externe haut-parleur 8Ω 2W |
| 16 | SPKOUT- | O | Connexion externe haut-parleur 8Ω 2W |
| 17 | MIC_N_IN | je | Électrode négative du microphone externe |
| 18 | MIC_P_IN | je | Électrode positive du microphone externe |
| 20 | SORTIE_LIGNE | O | Connecté avec des écouteurs 16 Ω |
| 21 | Réservé | Caroline du Nord | |
| 22 | LIGNE_D'ENTRÉE | je | Entrée de ligne, maximum 1 VRMS |
| 24 | PTT | je | Appuyez pour parler, tirez vers le bas pour entrer en mode transmission, tirez vers le haut ou laissez ouvert pour entrer en mode réception, tirez vers le haut en interne, |
| 26 | FOURMI | Connecté avec une antenne 50ohm |

politique de confidentialité
· Politique de confidentialité
Il n'y a actuellement aucun contenu disponible
Courriel : sales@nicerf.com
Tél : +86-755-23080616