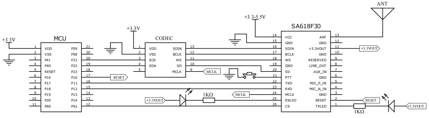
SA618F30-DZ : Module audio à relais multiniveaux double antenne 1 W, fréquence d'échantillonnage 8 K, duplex intégral avec protection ESD
Taper: Audio sans fil
Attestation: Autres
Puissance de sortie: 1W
Taille (mm):39,3*24,0

French








