Taper: Audio sans fil
Attestation: Autres
Puissance de sortie: 1W
Taille (mm):39,3 mm x 24 mm
Paramètre | Conditions de test | Min. | Typique | Max. | Unité |
Tension de fonctionnement |
| 3.3 | 4.2 | 5.5 | V |
température de fonctionnement |
| -30 | 25 | 70 | °C |
Consommation actuelle | |||||
Courant de sommeil |
|
| 10 | 20 | uA |
courant RX | @ Pas de sortie audio |
| 50 | 55 | mA |
@8Ω, sortie audio 1W |
|
|
| ||
courant TX | 4v, à 30 dBm |
| 450 | 550 | mA |
Paramètre RF | |||||
Fréquence de fonctionnement | UHF | 410 |
| 490 | MHz |
Fréquence personnalisable |
| 150 |
| 960 | MHz |
Valeur de fréquence par défaut pour 16 canaux | UHF (intervalle de 1 MHz) | 440.125 |
| 455.125 | MHz
|
Puissance de transmission | @5V | 16 |
| 32 | dBm |
Bande passante (BW) |
|
| 500 |
| kHz |
Sensibilité de réception |
|
| -117 |
| dBm |
Paramètres audio | |||||
sensibilité de modulation |
|
| 10 | 100 | mV |
Rapport signal/bruit de réception (SNR) |
|
| 90 |
| dB |
Réponse en fréquence |
| 60 |
| 3800 | Hz |
Sortie audio (sortie ligne) | Charge 16 Ω |
|
| 40 | mW |
Paramètres de retard | 2 canaux | 80 | 100 | 120 | MS |
3 canaux | 120 | 160 | 180 | MS | |
4 canaux | 160 | 200 | 240 | MS | |
6 canaux | 240 | 300 | 360 | MS | |
8 canaux | 320 | 400 | 480 | MS | |
| Taper | audio sans fil |
| Puissance de sortie | 1 W |
n Un circuit d'application de sortie analogique d'entrée analogique

n Circuit d'application d'entrée et de sortie I2S


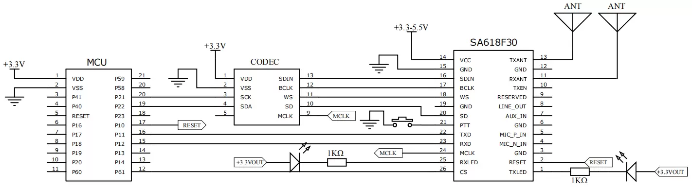
Broche N° | Nom de la broche | E/S | Description |
1 | TXLED | O | Indicateur de transmission, connecté à une LED externe, s'allume par une sortie de faible niveau lorsque des données ou de la voix sont transmises (une résistance de 1 kohm est suggérée pour la limitation du courant). |
2 | RÉINITIALISER | je | Broche de réinitialisation du module, tirer vers le bas de l'extérieur pendant plus de 5 ms réinitialisera le module |
3,6,10, 12,14,15,19 | GND | Connectez-vous à l'alimentation négative | |
4 | MIC_N_IN | je | Électrode négative du microphone externe, connectée en série avec une inductance de 220 nH, reportez-vous au circuit typique ci-dessous. |
5 | MIC_P_IN | je | Électrode positive du microphone externe, connectée en série avec une inductance de 220 nH, reportez-vous au circuit typique ci-dessous. |
7 | AUX_IN | je | Entrée ligne et entrée microphone |
8 | SORTIE_LIGNE | O | Connecté avec des écouteurs 16 Ω |
9 | RÉSERVÉ | Caroline du Nord | |
10 | TXEN | O | Broche d'activation de transmission, sortie de niveau élevé (3,3 V) lors de la transmission, niveau bas lors de la réception |
11 | RXANT | O | Entrée de signal RF pour la réception, connexion à une antenne de 50 ohms |
13 | TXANT | O | Sortie de signal RF pour la transmission, connexion à une antenne de 50 ohms |
14 | VCC | Alimentation (3,3 – 5,5 V) | |
16 | SDIN | je | Connecté à un périphérique I2S externe (0 – 3,3 V) |
17 | BCLK | O | |
18 | WS | O | |
20 | SD | O | |
21 | PTT | je | Appuyez pour parler, tirez vers le bas pour entrer en mode transmission, tirez vers le haut ou laissez ouvert pour entrer en mode réception, tirez vers le haut en interne, |
22 | TXD | O | Communication série |
23 | RXD | je | Communication série |
24 | MCLK | O | Connecté à un périphérique I2S externe (0-3,3 V) |
25 | RXLED | O | Indicateur de réception, connecté à une LED externe, s'allume par une sortie de faible niveau lorsque des données ou de la voix sont reçues (une résistance de 1 kohm est suggérée pour la limitation du courant). |
26 | CS | je | Entrée flottante, niveau bas pour entrer en veille |

politique de confidentialité
· Politique de confidentialité
Il n'y a actuellement aucun contenu disponible
Courriel : sales@nicerf.com
Tél : +86-755-23080616