Taper: Audio sans fil
Attestation: Autres
Puissance de sortie: 1W
Taille (mm):39,3 mm x 24 mm
Le SA618F30-C1 est un module interphone full duplex haute puissance, performant, économique et à haute intégration, développé par NiceRF. Il intègre un microcontrôleur haute vitesse, un codec audio, un circuit d'annulation d'écho, une protection ESD, une puce RF hautes performances et un amplificateur. Ce module dispose d'un port série standard pour la communication, permettant aux utilisateurs de configurer facilement les paramètres et de contrôler les fonctions d'émission et de réception. En connectant un amplificateur audio, un microphone et un haut-parleur, il peut fonctionner comme un interphone compact. Son interface simplifiée et son format ultra-compact le rendent adapté à diverses applications, permettant une intégration transparente aux appareils portables et améliorant ainsi les performances globales des terminaux.
Le module interphone full duplex SA618F30-C1 prend en charge 8 utilisateurs pour des appels simultanés de haute qualité. Il offre une fonctionnalité de réception illimitée sur 8 canaux, garantissant à chaque utilisateur une excellente expérience audio. La qualité audio en utilisation simultanée sur 8 canaux est bien supérieure à celle d'autres produits similaires.
Le SA618F30-C1 est produit et testé à l'aide de procédés sans plomb, conformes aux normes RoHS et REACH.
Paramètre | Conditions de test | Min. | Typique | Max. | Unité |
Tension de fonctionnement | 3.3 | 4.2 | 5.5 | V | |
température de fonctionnement | -30 | 25 | 70 | °C | |
Consommation actuelle | |||||
Courant de sommeil | 10 | 20 | uA | ||
courant RX | @ Pas de sortie audio | 50 | 55 | mA | |
courant TX | 4v, à 30 dBm | 16 0 | mA | ||
Paramètre RF | |||||
Fréquence de fonctionnement | UHF | 410 | 480 | MHz | |
Fréquence personnalisable | 150 | 960 | MHz | ||
Fréquence d'expédition par défaut | UHF (intervalle de 1 MHz) | 440.125 | 455.125 | MHz | |
Puissance de transmission | @5V | 16 | 32 | dBm | |
Bande passante ( BW) | 500 | kHz | |||
Sensibilité de réception | -117 | dBm | |||
Paramètres audio | |||||
sensibilité de modulation | 10 | 100 | mV | ||
Rapport signal/bruit de réception (SNR) | 90 | dB | |||
Réponse en fréquence | 60 | 3800 | Hz | ||
Sortie audio ( sortie ligne) | Charge 16 Ω | 40 | mW | ||
8 canaux | 160 | 20 0 | 240 | MS | |
Caractéristiques
Haute intégration et petite taille
Applications
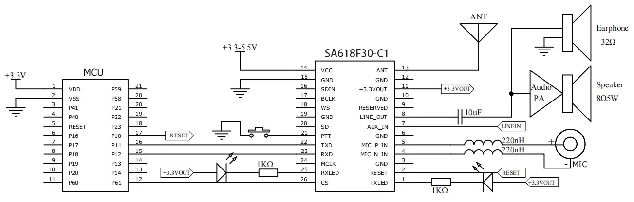
Circuit d'application d'entrée et de sortie analogique

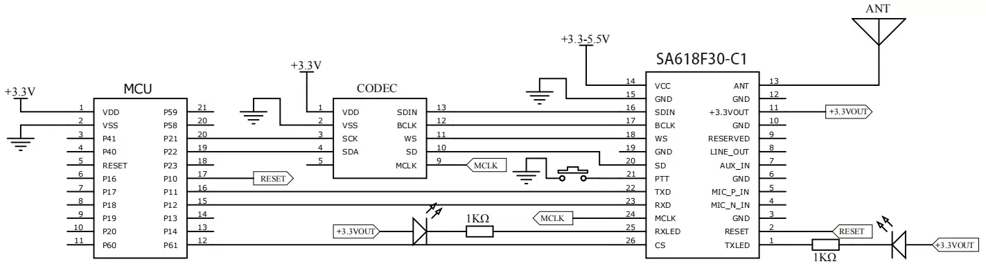
Circuit d'application d'entrée et de sortie I2S


Broche N° | Nom de la broche | E/S | Description |
1 | TXLED | O | Indicateur de transmission, connecté à une LED externe, s'allume par une sortie de faible niveau lorsque des données ou de la voix sont transmises (une résistance de 1 kohm est suggérée pour la limitation du courant). |
2 | RST | je | Broche de réinitialisation du module, tirer vers le bas de l'extérieur pendant plus de 5 ms réinitialisera le module |
3, 6, 10, 12, 15, 19 | GND | Sol | |
4 | MIC_N_IN | je | Électrode négative du microphone externe, connectée en série avec une inductance de 220 nH, reportez-vous au circuit typique ci-dessous. |
5 | MIC_P_IN | je | Électrode positive du microphone externe, connectée en série avec une inductance de 220 nH, reportez-vous au circuit typique ci-dessous. |
7 | Aux_IN | je | Signal d'entrée audio externe, maximum 1 VRMS |
8 | SORTIE_LIGNE | O | Un casque externe de 16 ohms peut être connecté, ce qui nécessite un circuit de filtre passe-bas LC supplémentaire pour éliminer les interférences RF. Voir le circuit typique. |
9 | Réservé | Les broches de test du module doivent être laissées non connectées par l'utilisateur. | |
11 | Sortie +3,3 V | O | Sortie régulateur 3,3 V, charge maximale 50 mA |
13 | FOURMI | Connecté avec une antenne 50ohm | |
14 | VCC | Alimentation (3,3 – 5,5 V) | |
16 | SDIN | je | Connecté à un périphérique I2S externe (0 – 3,3 V) |
17 | BCLK | O | |
18 | WS | O | |
20 | SD | O | |
21 | PTT | je | la broche de transmission du module est tirée vers le bas pour entrer en mode de transmission, avec une résistance de rappel interne, par défaut sur une sortie de niveau haut |
22 | TXD | O | Broche de transmission série (tension 0-3,3 V) |
23 | RXD | je | Broche de réception série (tension 0-3,3 V) |
24 | MCLK | O | Connecté à un périphérique I2S externe (0-3,3 V) |
25 | RXLED | O | Indicateur de réception, connecté à une LED externe, s'allume par une sortie de faible niveau lorsque des données ou de la voix sont reçues (une résistance de 1 kohm est suggérée pour la limitation du courant). |
26 | CS | je | La broche de veille du module fonctionne à un niveau haut pour un fonctionnement normal et à un niveau bas pour le mode veille. Elle est dotée d'une résistance de rappel interne, réglée par défaut à un niveau haut. |

politique de confidentialité
· Politique de confidentialité
Il n'y a actuellement aucun contenu disponible
Courriel : sales@nicerf.com
Tél : +86-755-23080616