Taper: Modules frontaux LoRa
Attestation: CE-RED
Modulation: LoRa
Ébrécher: LLCC68
Interface: SPI
Puissance de sortie: 160 mW
La fréquence: 868 MHz
Taille (mm):16*16
★Remarque : le module d'expédition par défaut utilise un oscillateur à cristal industriel de 10 ppm. L'oscillateur à cristal TCXO est facultatif pour des besoins particuliers :
| Paramètre | Min. | Typique | Max. | Unité | Condition |
| État de fonctionnement | |||||
| Tension de fonctionnement | 1.8 | 3.3 | 3.7 | V | |
| Plage de température | -40 | 25 | 85 | °C | |
| Consommation actuelle | |||||
| courant RX | < 5 | mA | Oscillateur à cristal à 10 ppm | ||
| < 6,5 | mA | @TCXO cristal | |||
| courant TX | < 130 | mA | @868MHz @915MHz | ||
| < 110 | mA | @433MHz @490MHz | |||
| Courant de sommeil | 1.9 | uA | Mode OFF (mode VEILLE avec démarrage à froid) Tous les blocs sont désactivés | ||
| 2.3 | uA | Mode SLEEP (mode SLEEP avec démarrage à chaud) Configuration conservée | |||
| 2.9 | uA | Mode SLEEP (Mode SLEEP avec démarrage à chaud) Configuration conservée + RC64k | |||
| 0,56 | mA | Mode STDBY_RC, RC13M, XOSC désactivé | |||
| 2,35 | mA | Mode STDBY_XOSC, XOSC activé | |||
| Paramètre RF | |||||
| Gamme de fréquences | 400 | 433 | 450 | MHz | à 433 MHz |
| 470 | 489,92 | 510 | MHz | à 470 MHz | |
| 848 | 868 | 888 | MHz | @868MHz | |
| 900 | 915 | 940 | MHz | à 915 MHz | |
| Puissance de sortie | -15 | 22 | dBm | ||
| Sensibilité de réception | -129 | dBm | @LoRa BW=250KHz_SF = 10_CR=4/5 | ||
| Interface | SPI |
| Ébrécher | LLCC68 |
| Fréquence | 433 MHz, 470 MHz, 868 MHz, 915 MHz |
| Modulation | LoRa |
| Puissance de sortie | 160 mW |
| Certification | Identification FCC, CE-RED |


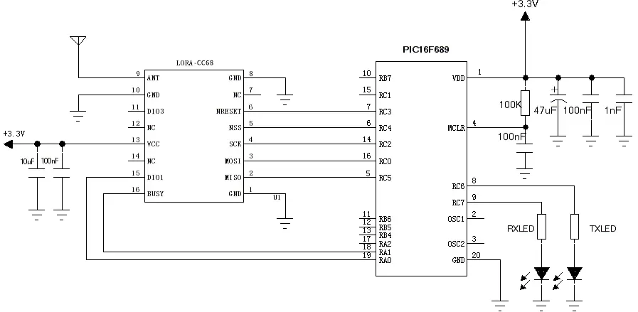
| Broche N° | Nom de la broche | Description |
| 1 | GND | terre d'alimentation |
| 2 | MISO | Sortie SPI |
| 3 | MOSI | Entrée SPI |
| 4 | SCK | Horloge série |
| 5 | NSS | Activation SPI |
| 6 | NRESET | Réinitialiser l'entrée |
| 7, 12, 14 | Caroline du Nord | Vide |
| 8 | GND | Mise à la terre |
| 9 | FOURMI | Connectez-vous avec une antenne de 50 ohms |
| 10 | GND | Mise à la terre |
| 11 | DIO3 | Peut être personnalisé comme indication de signal d'interruption, détails dans la fiche technique de la puce (Remarque : sortie pour contrôler le TCXO lorsque le cristal TCXO est utilisé) |
| 13 | VCC | Alimentation (par défaut 3,3 V) |
| 15 | DIO1 | Peut être personnalisé comme indication de signal d'interruption, détails dans la fiche technique de la puce |
| 16 | OCCUPÉ | Utilisé pour l'indication d'état, voir la fiche technique pour plus de détails |

politique de confidentialité
· Politique de confidentialité
Il n'y a actuellement aucun contenu disponible
Courriel : sales@nicerf.com
Tél : +86-755-23080616