Taper: Modules frontaux LoRa
Attestation: CE-RED
Modulation: LoRa
Ébrécher: LLCC68
Interface: SPI
Puissance de sortie: 160 mW
La fréquence: 868 MHz
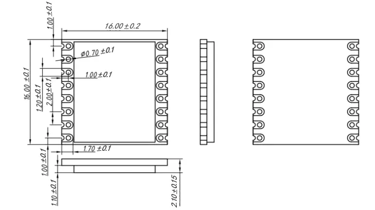
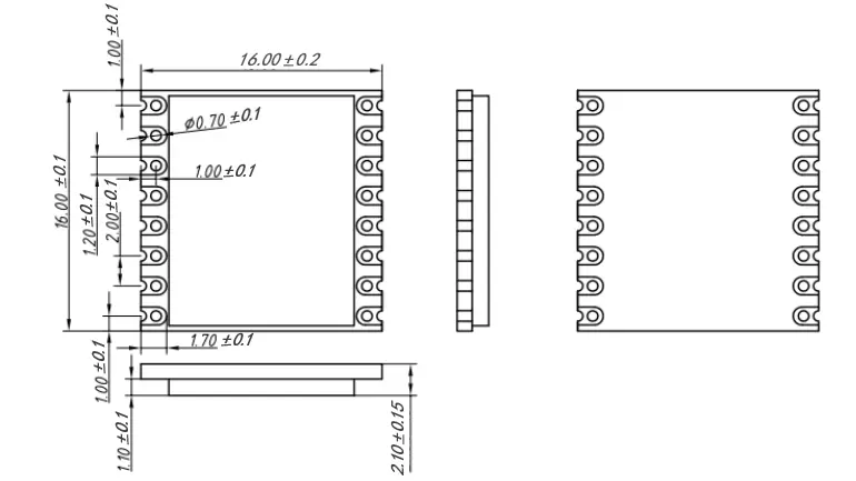
Taille (mm):16*16
Le module sans fil LoRa-CC68-868-T intègre le dispositif LLCC68 de Semtech et un oscillateur à quartz industriel de haute précision. Ce module offre un courant de réception ultra-faible, un faible courant de veille et une excellente sensibilité de -129 dBm. Grâce à son oscillateur 64 kHz intégré, il peut activer périodiquement le microcontrôleur externe tout en consommant peu d'énergie . Le commutateur d'antenne du module est intégré et contrôlé par la puce RF , ce qui économise les ressources du microcontrôleur externe. De plus, le Lora-CC68 , compact et doté d'une puissance de sortie de 22 dBm (160 mW) , présente de nombreux avantages pour les applications IoT et alimentées par batterie.
Le LoRa-CC68 est fabriqué et testé rigoureusement selon des procédés sans plomb et est conforme aux normes RoHS et Reach. Il est également certifié CE à 868 MHz et FCC à 915 MHz .
Réf. | Bande de fréquence | Cristal | Certification | Remarque |
★ CC68-C1-433 | Centre 433MHz 410-810 MHz personnalisable | Oscillateur à cristal de qualité industrielle 10 ppm | NON | Bouclier |
LoRa-CC68-433 - TCXO | Oscillateur à cristal TCXO 0,5 ppm | NON | ||
★ CC68-C1-490 | Centre 490MHz 41 0-810 MHz personnalisable | Oscillateur à cristal de qualité industrielle 10 ppm | NON | |
LoRa-CC68-490-TCXO | Oscillateur à cristal TCXO 0,5 ppm | NON | ||
★ CC68-C1-868 | Fréquence centrale 868 et 915 communs | Oscillateur à cristal de qualité industrielle 10 ppm | CE et FCC | |
LoRa-CC68-868 -TCXO | Centre 868 MHz | Oscillateur à cristal TCXO 0,5 ppm | CE | |
LoRa-CC68-915 - TCXO | Centre 915 MHz | FCC | ||
LoRa-CC68 - X1 | Centre 433 / 490 / 868/915 MHz 150-960 MHz personnalisable | Oscillateur à cristal de qualité industrielle 10 ppm | NON | Pas de bouclier , petite taille |
Lora-CC68 | 868- CE, 915-FCC | Bouclier |
★ Remarque : le module d'expédition par défaut utilise un oscillateur à cristal industriel de 10 ppm , l' oscillateur à cristal TCXO est facultatif pour des besoins particuliers :
Paramètre | Min. | Typique | Max . | Unité | Condition |
Conditions de fonctionnement (Vcc = 3,3 V, ANT à 50 ohms) | |||||
Tension de fonctionnement | 1.8 | 3.3 | 3.7 | V | |
Plage de température | -40 | 25 | 85 | °C | |
Consommation actuelle | |||||
courant RX | < 5 | mA | Oscillateur à cristal à 10 ppm | ||
< 6,5 | mA | @ Cristal TCXO | |||
courant TX | < 130 | mA | @868MHz @915MHz | ||
< 110 | mA | @433MHz @490MHz | |||
Courant de sommeil | 1.9 | uA | Mode OFF (mode SLEEP avec démarrage à froid) Tous les blocs sont fermés | ||
2.3 | uA | Mode SLEEP (mode SLEEP avec démarrage à chaud) Configuration conservée | |||
2.9 | uA | Mode SLEEP (mode SLEEP avec démarrage à chaud) Configuration conservée + RC64k | |||
0,56 | mA | Mode STDBY_RC , RC13M, XOSC désactivé | |||
2,35 | mA | Mode STDBY_XOSC , XOSC activé | |||
Paramètre RF | |||||
Gamme de fréquences | 400 | 433 | 450 | MHz | à 433 MHz |
470 | 489,92 | 510 | MHz | à 470 MHz | |
848 | 868 | 888 | MHz | @868MHz | |
900 | 915 | 940 | MHz | à 915 MHz | |
Puissance de sortie | -15 | 22 | dBm | ||
Sensibilité de réception | -129 | dBm | @LoRa BW=250KHz_SF = 10_CR=4/5 | ||
| Interface | SPI |
| Ébrécher | LLCC68 |
| Fréquence | 868 MHz |
| Modulation | LoRa |
| Puissance de sortie | 160 mW |
| Certification | CE-RED |
Bande de fréquences : 433/490/868/915 MHz ( personnalisable 150-960 MHz )
Sensibilité :-1 29 dBm @Lo R a
Puissance de sortie maximale :22 dBm (160 mW )
Oscillateur à cristal de haute précision de qualité industrielle
Lo R a,(G)FSK
25 5 octets F i F o
Débit de données : 0,6-300 Kbps @FSK 1,76-62,5 Kbps @Lora
Relevé de compteurs industriels
Gestion des capteurs de stationnement
Automatisation industrielle
Capteur agricole
Ville intelligente
Télécommande
lampadaires
Gestion logistique
Capteur environnemental
Produits de santé
Produits de sécurité
Gestion d'entrepôt


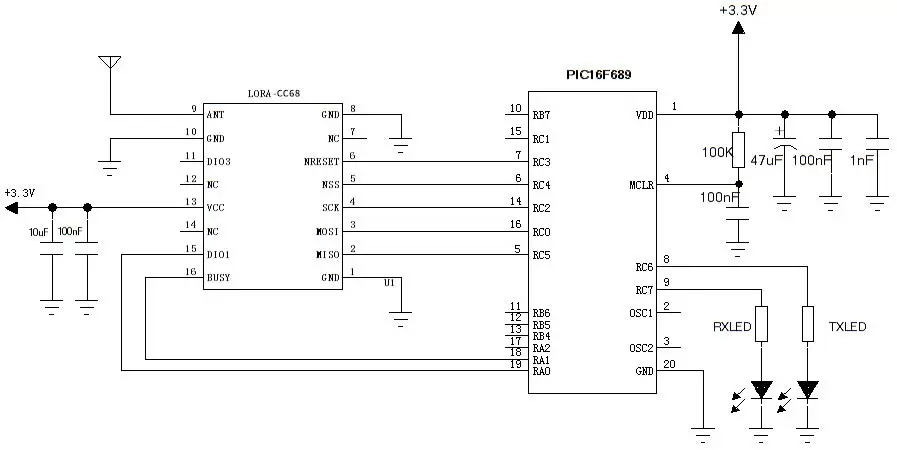
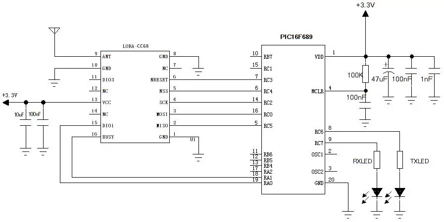
Broche N° | Nom de la broche | Description |
1 | GND | Terre d'alimentation |
2 | MISO | Sortie SPI |
3 | MOSI | Entrée SPI |
4 | SCK | Horloge série |
5 | NSS | Activation SPI |
6 | NRESET | Réinitialiser l'entrée |
7 , 12 , 14 | Caroline du Nord | Vide |
8 | GND | Terre d'alimentation |
9 | FOURMI | Connectez-vous avec une antenne de 50 ohms |
10 | GND | Terre d'alimentation |
11 | DIO3 | Peut être personnalisé comme indication de signal d'interruption, détails dans la fiche technique de la puce (Remarque : sortie pour contrôler le TCXO lorsque le cristal TCXO est utilisé ) |
13 | VCC | Alimentation (par défaut 3,3 V ) |
15 | DIO1 | Peut être personnalisé comme indication de signal d'interruption, détails dans la fiche technique de la puce |
16 | OCCUPÉ | Indication d'état occupé , détails dans la fiche technique de la puce . |

politique de confidentialité
· Politique de confidentialité
Il n'y a actuellement aucun contenu disponible
Courriel : sales@nicerf.com
Tél : +86-755-23080616