Taper: GPS
Attestation: Autres
Taille (mm):9,9*10,1
Le module GPS01-ZK est un mini module GPS trimode prenant en charge BDS/GPS/GLONASS/QZSS/SBAS et BeiDou B3. Il offre aux utilisateurs des solutions de positionnement et de navigation de haute qualité, antibrouillage performant et basse consommation. Faible courant, haute sensibilité et haute précision, il est idéal pour la navigation embarquée, le positionnement portable et les équipements portables.






| Paramètre | Description | Minimum | Typique | Maximum | Unité | Condition |
| Conditions de fonctionnement | ||||||
| Plage de tension de fonctionnement | VCC | 3.0 | 3.3 | 3,5 | V | |
| V_BCKP | 2,5 | 3.3 | 3,5 | V | ||
| Température | Fonctionnement | -40 | 85 | °C | ||
| Stockage | -40 | 125 | °C | |||
| Consommation actuelle | ||||||
| Recevoir le courant | <28 | mA | @Mode double, VCC = 3,3 V, V_BCKP = 3,3 V | |||
| Courant de sommeil | < 10 | uA | VCC = 0 V, V_BCKP = 3,3 V | |||
| Paramètres de radiofréquence | ||||||
| Précision de positionnement | < 2 | m | @Terrain ouvert | |||
| Sensibilité | capturer | -148 | dBm | |||
| piste | -162 | dBm | ||||
| Gain d'antenne externe | 30 | dB | ||||
| Précision de la mesure de la vitesse | < 0,1 | MS | ||||
| Temps de première correction (TTFF) | Démarrage à froid | ≤ 32 | s | |||
| Démarrage à chaud | ≤ 1 | s | ||||
| Reprise | ≤ 1 | s | ||||
| Paramètres du port série | ||||||
| Débit en bauds série | 9600 | 115200 | bps | |||
| Taux de mise à jour des données (mode unique) | BDS/GPS/GLONASS | 1 | 5 | Hz | Par défaut 1 Hz | |
| Taux de mise à jour des données (mode double) | BDS+GPS | 1 | 5 | Hz | ||
| BDS+GLONASS | 1 | 5 | Hz | |||
| GPS+GLONASS | 1 | 5 | Hz | |||
| Taux de mise à jour des données (Tri-mode) | BDS+GPS+GLONASS | 1 | 5 | Hz | ||
| Taper | GPS |
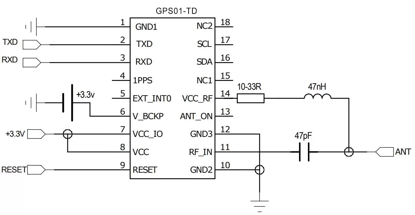
La méthode de connexion de l'antenne active est la suivante :

La méthode de connexion de l'antenne passive est la suivante :


| Numéro de code PIN | Définition de la broche | E/S | Niveau standard | Description |
| 1, 10, 12 | GND | — | Mise à la terre | |
| 2 | TXD | O | 0-3,5 V | Interface série |
| 3 | RXD | je | 0-3,5 V | Interface série |
| 4 | 1PPS | O | 0-3,5 V | 1 sortie d'impulsion par seconde |
| 5 | EXT_INT0 | je | 0-3,5 V | Réservé |
| 6 | V_BCKP | je | 2,5-3,5 V | Entrée d'alimentation de secours |
| 7 | VCC_IO | — | 3,0-3,5 V | Entrée d'alimentation IO |
| 8 | VCC | — | 3,0-3,5 V | Entrée d'alimentation principale |
| 9 | nRESET | je | 0-3,5 V | Réinitialisation externe, niveau bas actif. Impossible de connecter à la terre via un condensateur. |
| C | RF_IN | je | Entrée d'antenne | |
| 13 | ANT_ON | O | 0-3,5 V | Réservé |
| 14 | VCC_RF | O | VCC | Sortie 3,3 V, alimentée pour l'antenne ou le LNA, ne dépassant pas 20 mA |
| 15, 18 | Caroline du Nord | — | ||
| 16 | Adventiste du Septième Jour | E/S | 0-3,5 V | Interface I2C |
| 17 | SCL | je | 0-3,5 V | Interface I2C |

politique de confidentialité
· Politique de confidentialité
Il n'y a actuellement aucun contenu disponible
Courriel : sales@nicerf.com
Tél : +86-755-23080616