Taper: GPS
Attestation: Autres
Taille (mm):9,9*10,1
Le GPS01 est un module GPS prenant en charge la navigation bimode BDS B1/GPS L1/GLONASS L1 (deux sur trois). Il offre une sensibilité élevée, une grande précision de positionnement, une faible consommation d'énergie et des solutions de positionnement et de navigation économiques pour la fabrication de terminaux de navigation et de positionnement, notamment pour véhicules, navires, appareils portables et portables.
| Paramètre | Description | Minimum | Typique | Maximum | Unité | Condition |
| Conditions de fonctionnement | ||||||
| Plage de tension de fonctionnement | VCC | 3.0 | 3.3 | 3,5 | V | |
| V_BCKP | 2,5 | 3.3 | 3,5 | V | ||
| Température | Travail | -40 | 85 | °C | ||
| Stockage | -40 | 125 | °C | |||
| Consommation actuelle | ||||||
| Recevoir le courant | < 30 | mA | VCC=3,3V, V_BCKP=3,3V | |||
| Courant de sommeil | < 20 | uA | VCC = 0 V, V_BCKP = 3,3 V | |||
| Paramètres de radiofréquence | ||||||
| Précision de positionnement | Niveau | < 3 | m | @Terrain ouvert | ||
| Élévation | < 4,5 | m | ||||
| Sensibilité | capturer | -147 | dBm | |||
| piste | -163 | dBm | ||||
| Gain d'antenne externe | 30 | dB | ||||
| Précision de la mesure de la vitesse | < 0,1 | MS | ||||
| Première heure de correction TTFF | Démarrage à froid | < 28 | s | |||
| Démarrage à chaud | 1 | s | ||||
| Reprise | 1 | s | ||||
| Paramètres du port série | ||||||
| Débit en bauds du port série | 4800 | 9600 | 230400 | bps | Par défaut 9600 bps | |
| Taux de mise à jour des données (système unique) | BDS/GPS/GLONASS | 1 | Hz | |||
| Taux de mise à jour des données (système double) | BDS+GPS | 1 | Hz | |||
| BDS+GLONASS | 1 | Hz | ||||
| GPS+GLONASS | 1 | Hz | ||||
| Taper | GPS |
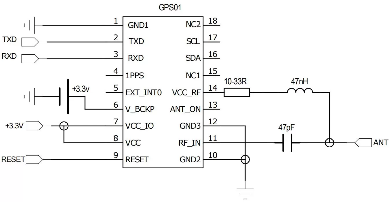
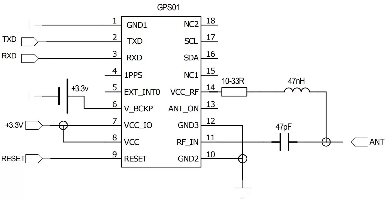
La méthode de connexion de l'antenne active est la suivante :

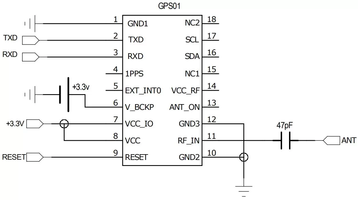
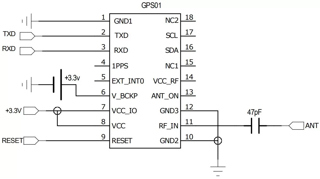
La méthode de connexion de l'antenne passive est la suivante :



Numéro de code PIN | Définition de la broche | E/S | Niveau standard | Description |
1, 10, 12 | GND | — |
| Mise à la terre |
2 | TXD | O | 0-3,5 V | Sortie de données, sortie d'état |
3 | RXD | je | 0-3,5 V | Réception des commandes de contrôle |
4 | 1PPS | O | 0-3,5 V | Deuxième sortie d'impulsion |
5 | EXT_INT0 | je | 0-3,5 V | port réservé |
6 | V_BCKP | je | 2,5-3,5 V | Entrée d'alimentation de secours |
7 | VCC_IO | — | 3,0-3,5 V | Entrée d'alimentation IO |
8 | VCC | — | 3,0-3,5 V | Entrée d'alimentation principale |
9 | nRESET | je | 0-3,5 V | Réinitialisation externe, niveau bas actif. La broche de réinitialisation ne peut pas être connectée au condensateur de masse extérieur au module. |
11 | RF_IN | je |
| Entrée d'antenne |
13 | ANT_ON | O | 0-3,5 V | IC GPIO intégré, fonction réservée |
14 | VCC_RF | O | VCC | Sortie 3,3 V, l'antenne est alimentée par le module et il est recommandé que le courant de fonctionnement de l'antenne ne dépasse pas 20 mA |
15, 18 | Caroline du Nord | — |
|
|
16 | Adventiste du Septième Jour | E/S | 0-3,5 V | Signal de données de l'interface DDC à deux fils |
17 | SCL | je | 0-3,5 V | Signal d'horloge de l'interface DDC à deux fils |

politique de confidentialité
· Politique de confidentialité
Il n'y a actuellement aucun contenu disponible
Courriel : sales@nicerf.com
Tél : +86-755-23080616