Type: LoRa Front-End Modules
Certification: FCC ID
Modulation: LoRa
Chip: SX1262
Interface: SPI
Output Power: 160mW
Frequency: 915MHz
Taille (mm):16*16
Le module LoRa1121 utilise la puce LR1121 de SEMTECH, un émetteur-récepteur longue portée ultra-basse consommation prenant en charge la bande ISM mondiale et les communications 2,4 GHz. Le LoRa1121 prend en charge les modulations LoRa et (G)FSK dans les bandes sub-GHz et 2,4 GHz, ainsi que la modulation Sigfox® dans la bande sub-GHz, et l'étalement de spectre à sauts de fréquence longue portée (LR-FHSS) dans les bandes sub-GHz, 1,9-2,1 GHz et 2,4 GHz ISM. Le LR1121 est conforme aux exigences de la couche physique des spécifications LoRaWAN® publiées par la LoRa Alliance®, tout en offrant une grande configurabilité pour répondre aux besoins de diverses applications et protocoles propriétaires.
LoRa1121 est produit et testé strictement en utilisant des processus sans plomb et est conforme aux normes RoHS et REACH. LoRa1121 a obtenu la certification FCC et CE.
Bandes sub-GHz : 433/470 MHz/868/915 MHz
Plage de fréquences personnalisable : 150~960 MHzBande 2,4G : 2 400-2 500 MHz
Bande S : 1900 MHz-2200 MHz
Sensibilité de la bande S : jusqu'à -132 dBm à BW = 125 KHz, SF = 12
Sensibilité de réception 2,4 GHz : jusqu'à -129 dBm à BW = 406 KHz, SF = 7
Sensibilité de réception sub-GHz : jusqu'à -144 dBm à BW = 62,5 kHz, SF = 12
Circuit de protection électrostatique intégré
Prend en charge LR-FHSS
Prend en charge les protocoles LoRaWAN et Sigfox
Prend en charge le cryptage et le décryptage AES-128
La puissance de l'émetteur est réglable, jusqu'à 22 dBm
Courant de veille ≤ 1µA
Courant de réception < 7 mA
Petite taille, conception de trou de tampon
Drones
Maison intelligente
Agriculture intelligente
Irrigation à distance
fabrication industrielle


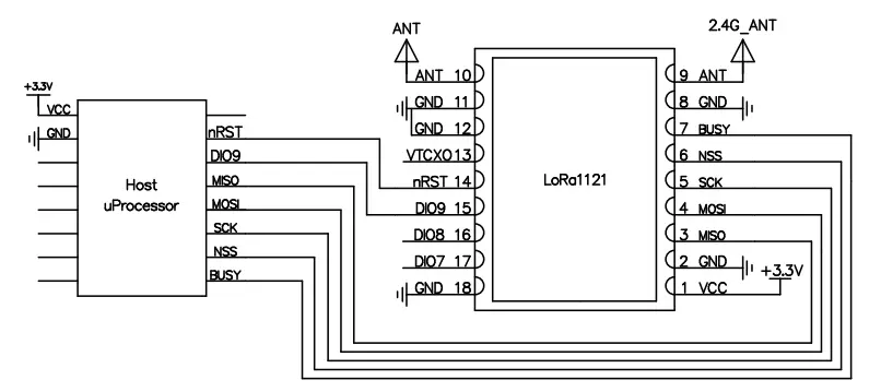
Broche N° | Nom de la broche | E/S | Description |
1 | VCC | Connectez-vous à l'alimentation positive. | |
2,8 , 11 , 12 | GND | Connectez-vous à l'alimentation négative. | |
3 | MISO | O | Sortie de données SPI |
4 | MOSI | je | Saisie de données SPI |
5 | SCK | je | Entrée d'horloge SPI |
6 | NSS | je | Entrée de sélection de puce SPI |
7 | OCCUPÉ | O | Utilisé pour l'indication d'état, reportez-vous à la fiche technique de la puce pour plus de détails |
9 | 2.4/S_ANT | Interface d'antenne 2,4G et bande S, antenne externe 50 ohms. | |
10 | ANTA ANT | Interface d'antenne de bande @sub-GHz, antenne externe de 50 ohms. | |
13 | VTCXO | O | Peut fournir de l'énergie à un TCXO externe. |
14 | RST | je | Réinitialiser l'entrée de déclenchement, reportez-vous à la fiche technique de la puce pour plus de détails. |
15 | DIO9 | IO | Interface numérique polyvalente, reportez-vous à la fiche technique de la puce pour plus de détails. |
16 | DIO8 | IO | Interface numérique polyvalente, reportez-vous à la fiche technique de la puce pour plus de détails. |
17 | DIO7 | IO | Interface numérique polyvalente, reportez-vous à la fiche technique de la puce pour plus de détails. |

politique de confidentialité
· Politique de confidentialité
Il n'y a actuellement aucun contenu disponible
Courriel : sales@nicerf.com
Tél : +86-755-23080616