Type: (G)FSK Front-End Modules,LoRa Front-End Modules
Certification: FCC ID,IC ID
Modulation: LoRa
Chip: SX1276
Interface: SPI
Output Power: 100mW
Frequency: 915MHz
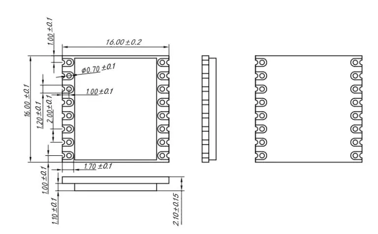
Taille (mm):16*16
| Paramètre | Min. | Typique | Max. | Unité | Condition |
| État de fonctionnement | |||||
| Tension de fonctionnement | 1.8 | 3.3 | 3.7 | V | |
| Plage de température | -40 | 25 | 85 | °C | |
| Consommation actuelle | |||||
| courant RX | < 6,5 | mA | @TCXO Crystal (2,8 V par défaut, 1,8 V en option) | ||
| < 5 | mA | @ oscillateur à cristal | |||
| courant TX | < 130 | mA | @868MHz @915MHz | ||
| Courant de sommeil | 1.9 | uA | Mode OFF (mode VEILLE avec démarrage à froid) Tous les blocs sont désactivés | ||
| 2.3 | uA | Mode SLEEP (mode SLEEP avec démarrage à chaud) Configuration conservée | |||
| 2.9 | uA | Mode SLEEP (Mode SLEEP avec démarrage à chaud) Configuration conservée + RC64k | |||
| 0,56 | mA | Mode STDBY_RC, RC13M, XOSC désactivé | |||
| 2,35 | mA | Mode STDBY_XOSC, XOSC activé | |||
| Paramètre RF | |||||
| Gamme de fréquences | 900 | 915 | 940 | MHz | à 915 MHz |
| Puissance de sortie | -15 | 22 | dBm | ||
| Sensibilité de réception | -133 | dBm | @LoRa BW=125KHz_SF = 10_CR=4/5 | ||
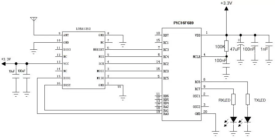
| Interface | SPI |
| Ébrécher | SX1262 |
| Fréquence | 915 MHz |
| Modulation | LoRa |
| Puissance de sortie | 160 mW |
| Certification | ID FCC |


| Broche N° | Nom de la broche | Description |
| 1 | GND | terre d'alimentation |
| 2 | MISO | Sortie SPI pour les données SPI |
| 3 | MOSI | Entrée SPI pour les données SPI |
| 4 | SCK | Horloge série pour interface SPI |
| 5 | NSS | Activation SPI |
| 6 | NRESET | Réinitialiser l'entrée |
| 7, 12, 14 | Caroline du Nord | Vide |
| 8 | GND | terre d'alimentation |
| 9 | FOURMI | Connectez-vous avec une antenne coaxiale de 50 ohms |
| 10 | GND | terre d'alimentation |
| 11 | DIO3 | E/S numériques |
| 13 | VCC | Alimentation connectée (par défaut 3,3 V) |
| 15 | DIO1 | E/S numériques |
| 16 | OCCUPÉ | Utilisé pour l'indication d'état, voir la fiche technique pour plus de détails. |

politique de confidentialité
· Politique de confidentialité
Il n'y a actuellement aucun contenu disponible
Courriel : sales@nicerf.com
Tél : +86-755-23080616