RF4432X1: émetteur-récepteur à coût IOW SI4432
Attestation: Autres
Modulation: (G)FSK
Ébrécher: si4432
Interface: SPI
Puissance de sortie: 100 mW
La fréquence: 315 MHz,433 MHz,470 MHz,868 MHz,915 MHz
Taille (mm):16 * 16
| Paramètre | Min. | Typ. | Max. | Unité | Condition |
| État de fonctionnement | |||||
| Plage de tension de fonctionnement | 1.8 | 3.3 | 3.6 | V | |
| Tension de température | -40 | 85 | ℃ | ||
| Consommation actuelle | |||||
| Courant de réception | 18,5 | mA | |||
| Courant d'émission | 85 | mA | @20dBm | ||
| Courant de sommeil | < 1 | uA | |||
| Paramètre RF | |||||
| Gamme de fréquence | 403 | 433 | 463 | MHz | @433MHz |
| 470 | 490 | 510 | MHz | @490MHz | |
| 838 | 868 | 898 | MHz | @868MHz | |
| 900 | 915 | 930 | MHz | @915MHz | |
| Taux de modulation | 0,123 | 256 | Kbit/s | FSK | |
| Plage de puissance de sortie | 1 | 20 | dBm | ||
| Sensibilité de réception | -121 | dBm | @Débit de données = 1,2 Kbps | ||
| Modulation | (G) FSK |
| Ébrécher | si4432 |
| Fréquence | 315 MHz, 433 MHz, 470 MHz, 868 MHz, 915 MHz |
| Puissance de sortie | 100 MW |
| Interface | Spice |


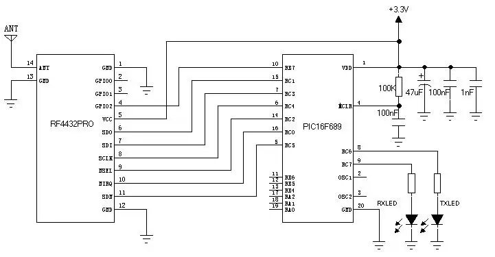
| Épingle no. | Nom de broche | Description |
| 1 | GND | Terrain d'électricité |
| 2 | Gpio0 | La broche de commande du commutateur de l'émetteur est connectée à l'intérieur du module |
| 3 | Gpio1 | La broche de commande du commutateur de l'émetteur est connectée à l'intérieur du module |
| 4 | Gpio2 | Connectez-vous directement à la broche GPIO2 de la puce |
| 5 | VCC | Alimentation positive 3.3 V |
| 6 | Sdo | 0 ~ VDD V Sortie numérique, fournit une fonction de lecture en série au registre de contrôle interne. |
| 7 | SDI | Entrée de données série. 0 ~ Entrée numérique VDD V. Cette broche est un bus de flux de données série de données série à 4 fils. |
| 8 | SCLK | Entrée d'horloge série. 0 ~ Entrée numérique VDD V. Cette broche fournit une fonction d'horloge de données série de 4 fils. |
| 9 | nsel | Interface série Sélectionnez la broche d'entrée. 0 ~ Entrée numérique VDD V. Cette broche fournit une fonction SELECT / ACTINABLE pour le bus de données série à 4 fils. Ce signal est également utilisé pour indiquer le mode de lecture / écriture en rafale. |
| 10 | nirq | Interruption de sortie |
| 11 | SDN | PIN Activer la puce. 0 ~ Entrée numérique VDD V. Sdn = 0 dans tous les modes sauf le mode d'arrêt. Lorsque SDN = 1, la puce sera complètement fermée et le contenu du registre sera perdu. |
| 12 | GND | Terrain d'électricité |
| 13 | GND | Terrain d'électricité |
| 14 | FOURMI | Connectez-vous avec une antenne coaxiale de 50 ohms |


politique de confidentialité
· Politique de confidentialité
Il n'y a actuellement aucun contenu disponible
Courriel : sales@nicerf.com
Tél : +86-755-23080616