Contactez-nous
| Paramètres | Min. | Typique | Max. | Unité | Condition |
| État de fonctionnement | |||||
| Plage de tension | 3.3 | 5.0 | 6,5 | V | |
| Température de fonctionnement | -40 | 25 | +85 | °C | |
| Consommation actuelle | |||||
| Courant Rx | 25 | mA | Niveau TTL | ||
| 34 | mA | niveau 485 | |||
| Courant Tx | 350 | mA | à 27 dBm | ||
| Courant de sommeil | <5 | uA | Niveau @TTL | ||
| Paramètres RF | |||||
| Gamme de fréquences | 414,92 | 433,92 | 453,92 | MHz | à 433 MHz |
| 470,92 | 489,92 | 509,92 | MHz | à 470 MHz | |
| 849,92 | 868,92 | 888,92 | MHz | @868MHz | |
| 895,92 | 914,92 | 934,92 | MHz | à 915 MHz | |
| Débit de données | 1.2 | 9.6 | 115,2 | Kbps | GFSK |
| Puissance de sortie | 20 | / | +27 | dBm | |
| Sensibilité | -121 | dBm | à 1,2 Kbps | ||
| Interface | TTL, RS485 |
| Réseau | STAR, Point à point |
| Fréquence | 433 MHz, 470 MHz, 868 MHz, 915 MHz |
| Modulation | (G)FSK |
| Puissance de sortie | 500 mW |


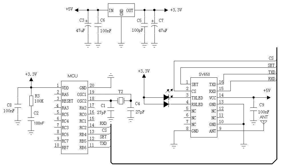
| Numéro de broche | Définition | Description |
| 1 | ENSEMBLE | Activation des paramètres de configuration (bas pour activer les paramètres de configuration, la sortie de haut niveau par défaut) |
| 2 | CS | Le module est activé (faible dormance, le courant est inférieur à 5 uA, la sortie haut niveau par défaut) |
| 3 | TXLED | Broche de sortie de lumière émise (active basse) |
| 4 | RXLED | Broche de sortie de l'indicateur de réception (actif bas) |
| 5 / 6 / 7 / 11 / 12 | Caroline du Nord | Vacant |
| 8/10/13 | GND | Connecté à la terre |
| 9 | FOURMI | Sortie de signal RF, puis une antenne de 50 ohms |
| 14 | VCC | Connecté à l'alimentation positive (typiquement 5V) |
| 15 | TXD/A | Transmission de données de communication série (au niveau 485, puis la sortie de A) |
| 16 | RXD/B | Réception des données de communication série (@ niveau 485, puis la sortie B) |

politique de confidentialité
· Politique de confidentialité
Il n'y a actuellement aucun contenu disponible
Courriel : sales@nicerf.com
Tél : +86-755-23080616