Certification: Others
Modulation: LoRa
Interface: RS232,RS485,TTL
Output Power: 5W
Frequency: 433MHz,470MHz,868MHz,915MHz
Network: MESH,Point-to-point
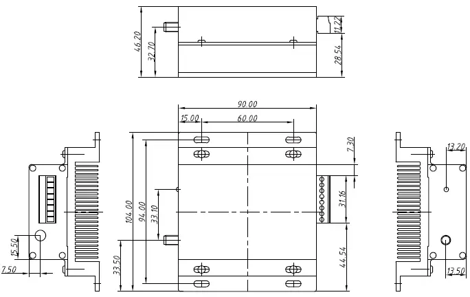
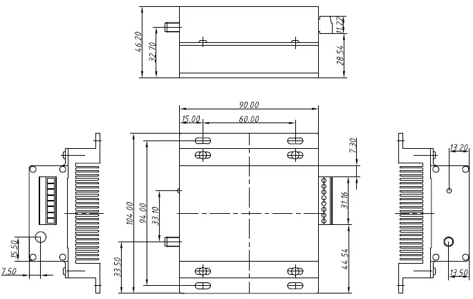
Taille (mm):90*104
Le module LoRa Pro est une nouvelle série de modules de communication sans fil réseau améliorés de NiceRF. Il utilise la technologie avancée de modulation à étalement de spectre LoRa à sauts de fréquence pour une sensibilité élevée. Sa puissance de pénétration et sa distance de communication sont bien supérieures à celles des produits FSK et GFSK actuels, et offre une meilleure protection contre les interférences. Afin de répondre aux besoins applicatifs de différents clients, nous avons conçu le logiciel de cette série comme une solution tout-en-un. Les utilisateurs peuvent basculer entre différents modes de fonctionnement via le module de configuration du logiciel PC. En mode MESH, le module de routage dispose d'une fonction de routage automatique. L'utilisateur peut établir une transmission réseau sans zone morte et sans limitation de distance grâce à la combinaison de plusieurs modules. De plus, les utilisateurs peuvent chiffrer les données sans fil AES128 via le logiciel PC ou les instructions du port série, ce qui renforce la sécurité des transmissions.
Le module LoRa6500Pro est conçu pour une puissance de sortie de 5 W et est disponible en niveaux TTL/RS232/RS485. Il est largement utilisé pour le contrôle de transmission à distance sans fil.
LoRa6500Pro utilise strictement un processus sans plomb pour la production et les tests, et répond aux normes RoHS et Reach.
| Paramètres | Min. | Typique | Max. | Unité | Condition |
| État de fonctionnement | |||||
| Plage de tension | 9 | 12 | 30 | V | |
| Température de fonctionnement | -40 | 25 | +85 | °C | |
| Consommation actuelle | |||||
| Courant Rx | < 18 | mA | Niveau TTL | ||
| Courant Tx | < 1,8 | UN | à 37 dBm, 12 V | ||
| Courant de sommeil | < 7 | mA | |||
| Paramètres RF | |||||
Gamme de fréquences | 414,92 | 433,92 | 453,92 | MHz | à 433 MHz |
| 470,92 | 489,92 | 509,92 | MHz | à 470 MHz | |
| Débit de données | 91 | 656 | 17353 | bps | @LoRa |
| Puissance de sortie | 28 | + 37 | dBm | @12V, 433MHz / 470MHz | |
| Sensibilité | -139 | dBm | à 91 bps | ||
| Interface | TTL, RS232, RS485 |
| Réseau | ENGRENER |
| Fréquence | 433 MHz, 470 MHz, 868 MHz, 915 MHz |
| Modulation | LoRa |
| Puissance de sortie | 5W |




| Numéro de broche | Définition | Description |
| 1 | VCC | Connecté à l'alimentation positive (typiquement 12 V) |
| 2 | TXD | Connectez-vous au TXD pour l'interface TTL ou RS232 |
| 3 | RXD | Connectez-vous au RXD pour l'interface TTL ou RS232 |
| 4 | GND | Connecté à la terre |
| 5 | A+ | Connectez-vous à A+ pour l'interface RS485 |
| 6 | B- | Connectez-vous à B- pour l'interface RS485 |
| 5 | ENSEMBLE | Activation du mode de configuration (bas pour entrer dans le mode de réglage, laisser ouvert ou connecter un niveau élevé pour quitter le mode de réglage) Valable lorsque la broche CS est haute ou laissée ouverte. |
| 6 | CS | Activation du fonctionnement du module (Tirez vers le bas pour faire passer le module en mode veille, laissez ouvert ou connectez un niveau élevé pour faire passer le module en mode de fonctionnement normal) |

politique de confidentialité
· Politique de confidentialité
Il n'y a actuellement aucun contenu disponible
Courriel : sales@nicerf.com
Tél : +86-755-23080616