Contactez-nous
| Paramètres | Min. | Typique | Max. | Unité | Condition |
| État de fonctionnement | |||||
| Plage de tension | 3.3 | 5.0 | 6,5 | V | |
| Température de fonctionnement | -40 | 25 | +85 | °C | |
| Consommation actuelle | |||||
| Courant Rx | <15 | mA | Niveau TTL | ||
| Courant Tx | < 130 | mA | |||
| Courant de sommeil | < 200 | uA | |||
| Paramètres RF | |||||
| Gamme de fréquences | 414,92 | 433,92 | 453,92 | MHz | à 433 MHz |
| 470,92 | 489,92 | 509,92 | MHz | à 470 MHz | |
| 849,92 | 868,92 | 888,92 | MHz | @868MHz | |
| 895,92 | 914,92 | 934,92 | MHz | à 915 MHz | |
| Débit de données | 91 | 656 | 17353 | bps | @LoRa |
| Puissance de sortie | 4 | 20 | +20 | dBm | Niveau de logiciel 7 réglable |
| Sensibilité | -139 | dBm | à 91 bps | ||
| Interface | TTL, RS232, RS485 |
| Réseau | ENGRENER |
| Fréquence | 433 MHz, 470 MHz, 868 MHz, 915 MHz |
| Modulation | LoRa |
| Puissance de sortie | 100 mW |
| Certification | KC |



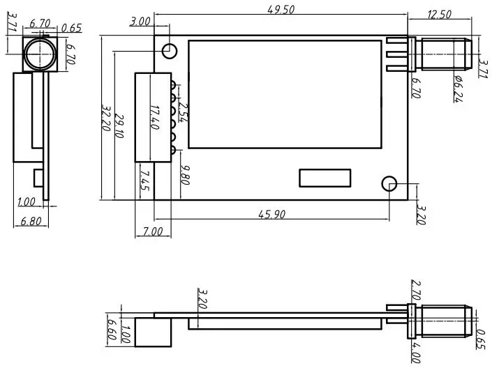
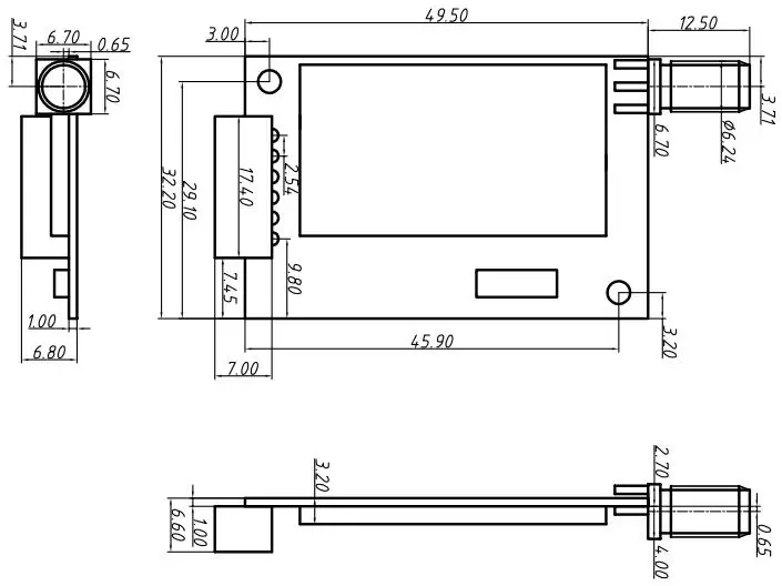
| NON. | ÉPINGLE | Description |
| 1 | VCC | Connectez le pôle positif de l'alimentation (généralement 5V) |
| 2 | GND | Connectez le pôle négatif de l'alimentation, le fil de terre |
| 3 | TXD | Transmission de données de communication série |
| 4 | RXD | Réception de données de communication série |
| 5 | ENSEMBLE | Activation du paramètre de configuration (configuration du paramètre d'activation de bas niveau, sortie de haut niveau par défaut) |
| 6 | CS | Broche d'activation du module (pull-up intégré) Remarque : Version d'usine par défaut : courant de veille < 200 uA, CS tiré vers le haut ou suspendu pour une communication normale, veille à bas niveau ; Version à faible consommation d'énergie : courant de veille < 15 uA, communication normale lorsque CS est tiré vers le bas, tiré vers le haut ou flottant pour dormir. |
| 7 | GND | Terre d'antenne |
| 8 | FOURMI | Sortie de signal RF, connectée à une antenne de 50 ohms |
| 9 | GND | Terre d'antenne |


politique de confidentialité
· Politique de confidentialité
Il n'y a actuellement aucun contenu disponible
Courriel : sales@nicerf.com
Tél : +86-755-23080616