Type: LoRa Front-End Modules
Certification: KC,ANATEL
Modulation: LoRa
Interface: TTL
Output Power: 100mw
Frequency: 433MHz,470MHz,868MHz,915MHz
Network: MESH,Point-to-point
Taille (mm):39,55*22,93
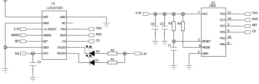
Remarque : Le module est régulé en interne par un LDO 3,3 V. Les broches CS et SET contrôlent les niveaux 3,3 V. TXD et RXD contrôlent également les niveaux 3,3 V.
| Paramètres | Min. | Typique | Max. | Unité | Condition |
| État de fonctionnement | |||||
| Plage de tension | 3.4 | 4.0 | 5.5 | V | |
| Température de fonctionnement | -40 | 25 | +85 | °C | |
| Consommation actuelle | |||||
| Courant Rx | <8 | mA | Niveau TTL | ||
| Courant Tx | < 1300 | mA | @5v, 33dBm, 433MHz | ||
| < 1000 | mA | à 5 V, 31,5 dBm, 915 MHz | |||
| Courant de sommeil | < 240 | uA | |||
| Paramètres RF | |||||
| Gamme de fréquences | 414,92 | 433,92 | 453,92 | MHz | à 433 MHz |
| 470,92 | 490,92 | 509,92 | MHz | à 470 MHz | |
| 849,92 | 868,92 | 888,92 | MHz | @868MHz | |
| 895,92 | 914,92 | 934,92 | MHz | à 915 MHz | |
| Débit de données | 1312 | 62500 | bps | @LoRa | |
| Puissance de sortie | 15 | +33 | dBm | Niveau de logiciel 7 réglable | |
| 19 | 31,5 | dBm | |||
| Sensibilité | -129 | dBm | à 1312 bps | ||
| Interface | TTL |
| Réseau | ENGRENER |
| Fréquence | 433 MHz, 470 MHz, 868 MHz, 915 MHz |
| Modulation | LoRa |
| Puissance de sortie | 2W |
La distance de transmission en zone ouverte d'un seul module est de 10 à 12 km à faible débit


| NON. | ÉPINGLE | Description |
| 1 | RXLED | Indicateur de signal de réception, niveau bas, par défaut élevé |
| 2 | TXLED | Indicateur de signal de transmission, niveau bas, par défaut élevé |
| 3 | CS | Broche d'activation du module (pull-up intégré) Remarque : Version d'usine par défaut : courant de veille < 240 uA, CS tiré vers le haut ou suspendu pour une communication normale, veille à bas niveau ; Version à faible consommation d'énergie : courant de veille < 15 uA, communication normale lorsque CS est tiré vers le bas, tiré vers le haut ou flottant pour dormir. |
| 4 | RXD | Réception de données de communication série |
| 5 | TXD | Transmission de données de communication série |
| 6 | Caroline du Nord | Aucune utilité |
| 7 | GND | Terre d'antenne |
| 8 | FOURMI | Sortie de signal RF, connectée à une antenne de 50 ohms |
| 9 | GND | Terre d'antenne |
| 10 | Sortie +3,3 V | Broche de sortie de tension de 3,3 V, peut piloter des appareils dans un rayon de 50 mA |
| 11 | 485EN | Peut être connecté à la broche de conversion de contrôle de niveau d'extension externe 485 |
| 12 | ENSEMBLE | Activation du paramètre de configuration (configuration du paramètre d'activation de bas niveau, sortie de haut niveau par défaut) |
| 13 | GND | Connectez le pôle négatif de l'alimentation, le fil de terre |
| 14 | VCC | Connectez le pôle positif de l'alimentation (généralement 4V) |

politique de confidentialité
· Politique de confidentialité
Il n'y a actuellement aucun contenu disponible
Courriel : sales@nicerf.com
Tél : +86-755-23080616