Type: LoRa Front-End Modules
Certification: KC,ANATEL
Modulation: LoRa
Interface: TTL
Output Power: 100mw
Frequency: 433MHz,470MHz,868MHz,915MHz
Network: MESH,Point-to-point
Taille (mm):39,55*22,93
Le module LoRa II est une nouvelle série de modules de communication sans fil réseau améliorés de NiceRF. Il utilise la technologie avancée de modulation à étalement de spectre LoRa à sauts de fréquence pour une sensibilité élevée. Sa puissance de pénétration et sa distance de communication sont bien supérieures à celles des produits FSK et GFSK actuels, et offre une meilleure protection contre les interférences. Afin de répondre aux besoins applicatifs de différents clients, nous avons conçu le logiciel de cette série comme une solution tout-en-un. Les utilisateurs peuvent basculer entre différents modes de fonctionnement via le module de configuration du logiciel PC. En mode MESH, le module de routage est doté d'un routage automatique. Grâce à la fonction de combinaison multi-modules, l'utilisateur peut établir une transmission réseau sans zone morte et sans limitation de distance. De plus, les utilisateurs peuvent chiffrer les données sans fil AES128 via le logiciel PC ou les instructions du port série, ce qui renforce la sécurité des transmissions.
Le module LoRa6100II est conçu pour une puissance de sortie de 1 W sous l'alimentation d'une batterie au lithium monocellulaire et une conception de petite taille intégrée, qui est largement utilisée dans les industries de contrôle de transmission à distance sans fil.
LoRa6100II utilise strictement un processus sans plomb pour la production et les tests, et répond aux normes RoHS et Reach.
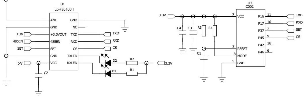
Remarque : Le module est régulé en interne par un LDO 3,3 V. Les broches CS et SET contrôlent les niveaux 3,3 V. TXD et RXD contrôlent également les niveaux 3,3 V.
| Paramètres | Min. | Typique | Max. | Unité | Condition |
| État de fonctionnement | |||||
| Plage de tension | 3.4 | 4.0 | 5.5 | V | |
| Température de fonctionnement | -40 | 25 | +85 | °C | |
| Consommation actuelle | |||||
| Courant Rx | <8 | mA | Niveau TTL | ||
| Courant Tx | < 800 | mA | à 5 V, 31 dBm 433/470 MHz | ||
| < 1100 | mA | à 5 V, 31 dBm 868/915 MHz | |||
| Courant de sommeil | < 240 | uA | |||
| <40 | uA | Faible puissance | |||
| Paramètres RF | |||||
| Gamme de fréquences | 414,92 | 433,92 | 453,92 | MHz | à 433 MHz |
| 470,92 | 489,92 | 509,92 | MHz | à 470 MHz | |
| 849,92 | 868,92 | 888,92 | MHz | @868MHz | |
| 895,92 | 914,92 | 934,92 | MHz | à 915 MHz | |
| Débit de données | 1312 | 62500 | bps | @LoRa | |
| Puissance de sortie | 18 | 30 | +31 | dBm | Niveau de logiciel 7 réglable |
| Sensibilité | -129 | dBm | à 1312 bps | ||
| Interface | TTL |
| Réseau | ENGRENER |
| Fréquence | 433 MHz, 470 MHz, 868 MHz, 915 MHz |
| Modulation | LoRa |
| Puissance de sortie | 1W |
Méthode de cryptage des données AES128
Pas de zone aveugle sans limitation de distance
La distance de transmission en zone ouverte d'un seul module est de 8 à 10 km à faible débit
Bande de fréquence : 433/470/868/915 MHz en option
Jusqu'à 40 canaux de communication dans la même bande de fréquence
Paramètres de port série diversifiés
Plage de tension de fonctionnement : 3,4 ~ 5,5 V
Fonction LBT (Écouter avant de parler) en option
Nœud/route/nœud+route facultatif en mode MESH
Circuit de protection de réinitialisation matérielle intégré
Modulation LoRa
Interface TTL
Sensibilité jusqu'à -129 dBm à 1,3 Kbps
Puissance de sortie maximale : 1 W (à 5 V)
Plage de température de fonctionnement : -40 ~ +85 °C


| NON. | ÉPINGLE | Description |
| 1 | RXLED | Indicateur de signal de réception, niveau bas, par défaut élevé |
| 2 | TXLED | Indicateur de signal de transmission, niveau bas, par défaut élevé |
| 3 | CS | Broche d'activation du module (pull-up intégré) Remarque : Version d'usine par défaut : courant de veille < 240 uA, CS tiré vers le haut ou suspendu pour une communication normale, veille à bas niveau ; Version à faible consommation d'énergie : courant de veille < 40 uA, communication normale lorsque CS est tiré vers le bas, tiré vers le haut ou flottant pour dormir. |
| 4 | RXD | Réception de données de communication série |
| 5 | TXD | Transmission de données de communication série |
| 6 | Caroline du Nord | Aucune utilité |
| 7 | GND | Terre d'antenne |
| 8 | FOURMI | Sortie de signal RF, connectée à une antenne de 50 ohms |
| 9 | GND | Terre d'antenne |
| 10 | Sortie +3,3 V | Broche de sortie de tension de 3,3 V, peut piloter des appareils dans un rayon de 50 mA |
| 11 | 485EN | Peut être connecté à la broche de conversion de contrôle de niveau d'extension externe 485 |
| 12 | ENSEMBLE | Activation du paramètre de configuration (configuration du paramètre d'activation de bas niveau, sortie de haut niveau par défaut) |
| 13 | GND | Connectez le pôle négatif de l'alimentation, le fil de terre |
| 14 | VCC | Connectez le pôle positif de l'alimentation (généralement 4V) |

politique de confidentialité
· Politique de confidentialité
Il n'y a actuellement aucun contenu disponible
Courriel : sales@nicerf.com
Tél : +86-755-23080616