Sep . 2025
Dans le paysage IoT actuel en constante évolution, les modules LoRa basse consommation traditionnels ne répondent plus aux exigences des applications les plus exigeantes. Lorsqu'il est nécessaire d'assurer une couverture complète sur de vastes exploitations agricoles, d'établir des liaisons de communication fiables dans des zones montagneuses isolées ou de franchir des obstacles dans des environnements industriels complexes, une puissance de sortie standard de 160 mW devient négligeable.
C’est pour répondre à ces exigences que la série LoRa1121F33 a vu le jour : bien plus qu’une simple augmentation de puissance, elle représente un véritable bond en avant en matière de communication. Forte de plus de 15 ans d’expertise dans le secteur des communications sans fil, notre entreprise peut affirmer avec confiance que le lancement de la série F33 marque une nouvelle ère pour la technologie LoRa.
Aujourd'hui, penchons-nous sur ses deux modèles phares : le LoRa1121F33-1G9 (spécialiste des communications par satellite) et le LoRa1121F33-2G4 (champion des communications terrestres). Tels deux étoiles jumelles dans le ciel, ils brillent d'un éclat distinct, illuminant le vaste horizon de la connectivité sans fil longue portée.

Modules sans fil LoRa haute fiabilité pour les environnements complexes à longue portée et les scénarios multibandes
Si les modules LoRa classiques sont considérés comme des experts des communications terrestres, le F33-1G9 est le pionnier des communications intégrées espace-sol. Sa caractéristique principale réside dans sa capacité de communication par satellite en bande S (1,9–2,1 GHz), permettant une connectivité dans les zones dépourvues de couverture réseau terrestre.
1) Positionnement et différences des séries
Dimension | LoRa1121F33-1G9 | LoRa1121F33-2G4 |
Concentration à haute fréquence | Bande S (1,9–2,1 GHz), conçue pour l'Internet des objets par satellite et les communications intégrées espace-sol | Bande ISM 2,4 GHz, conçue pour les liaisons terrestres à haut débit et faible latence |
Sortie sub-GHz | 433/470 MHz : 2 W ; 868/915 MHz : 1 W | 433/470 MHz : 2 W ; 868/915 MHz : 1 W |
Sortie à bande haute | 1 W à 1,9–2,1 GHz | 1 W à 2,4 GHz (30 dBm) |
Sensibilité de réception (typique) | Bande sub-GHz : jusqu’à –144 dBm ; bande S : jusqu’à –132 dBm | Sub-GHz : jusqu’à –144 dBm ; 2,4 GHz : jusqu’à –129 dBm |
Stabilité de fréquence | TCXO de qualité industrielle ±0,5 ppm | TCXO de qualité industrielle ±0,5 ppm |
Amélioration du frontal RF | — | FEM intégré (PA+LNA), gain du LNA ~15 dB |
Applications représentatives | Internet des objets par satellite, communications maritimes/à distance, intervention d'urgence | Ville/parc intelligent IoT, transmission vidéo et image, liaisons de données UAV |
Lorsqu'on évoque la portée étendue des communications LoRa, la référence traditionnelle se base sur une puissance de 160 mW. Avec la série F33 qui délivre une puissance de sortie de 2 W, l'amélioration n'est pas seulement numérique : elle représente un élargissement fondamental des cas d'utilisation.
Percée technologique : de 160 mW à 2 W
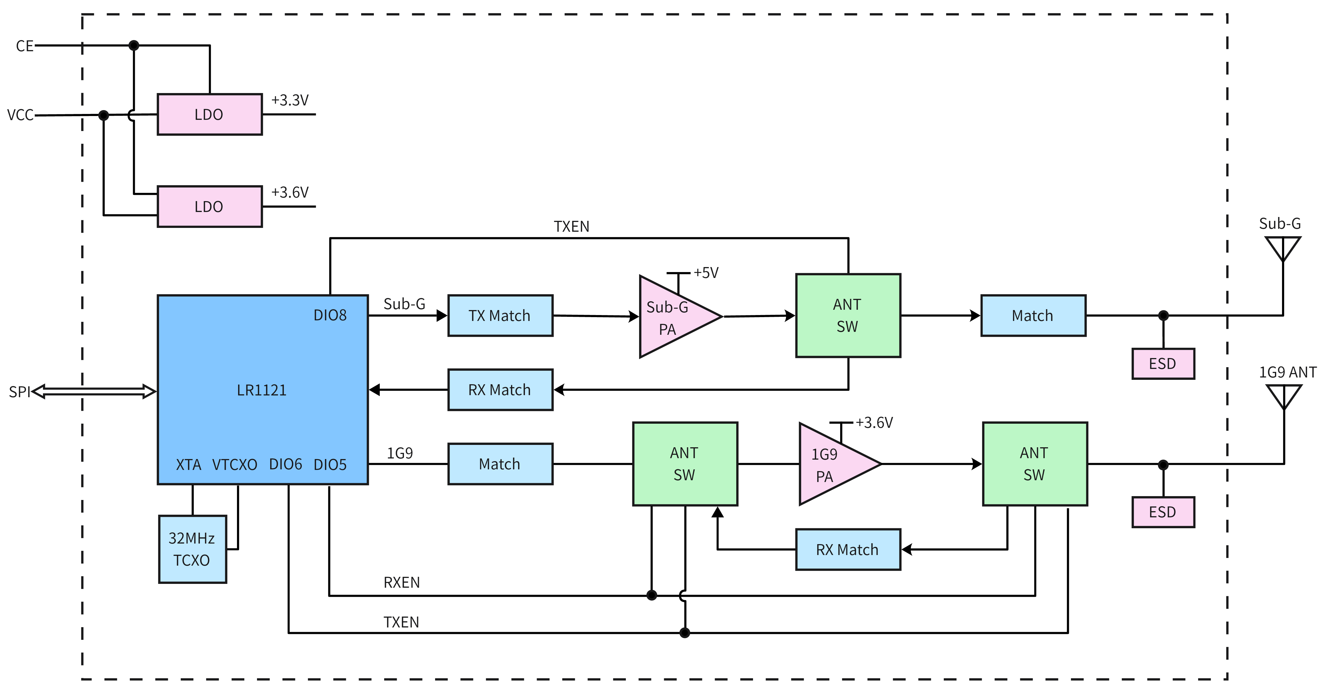
Schéma fonctionnel du produit :

2) Caractéristiques et paramètres principaux
Élément de comparaison | F33-1G9 | F33-2G4 |
Puissance sub-GHz (433/470 MHz) | 33 dBm (2 W) | 33 dBm (2 W) |
Puissance sub-GHz (868/915 MHz) | 30 dBm (1 W) | 30 dBm (1 W) |
Puissance à bande haute | 30 dBm (1 W) à 1,9–2,1 GHz | 30 dBm (1 W) à 2,4 GHz |
Sensibilité sub-GHz (typique) | Jusqu'à -144 dBm | Jusqu'à -144 dBm |
Sensibilité à haute bande (typique) | –132 dBm (bande S) | –129 dBm (2,4 GHz) |
Modulation / Protocole | LoRa / (G)FSK / LR-FHSS ; prend en charge LoRaWAN et les protocoles privés | LoRa / (G)FSK / LR-FHSS ; prend en charge LoRaWAN et les protocoles privés |
Sécurité | Chiffrement matériel AES-128 | Chiffrement matériel AES-128 |
Parcours de certification | Dépend de la région (catégorie haute puissance) ; expérience et documentation disponibles pour accélérer l’approbation | Identique au F33-1G9 |
2.2 Consommation et alimentation électrique
Élément de comparaison | F33-1G9 | F33-2G4 |
Plage de tension d'alimentation | 3,0–5,5 V | 3,0–5,5 V |
Courant du sommeil | < 18 µA | < 20 µA |
Courant RX (sub-GHz) | ~ < 9 mA | ~ < 8 mA |
Courant RX (bande haute) | — | ~ 24–29 mA (2,4 GHz) |
Niveaux de puissance | Réglable à plusieurs niveaux | Réglable à plusieurs niveaux |
3) Avantages de la bande de fréquence et voie technique
Groupe | Avantages typiques | F33-1G9 | F33-2G4 |
433/470 MHz | Longue portée, bonne diffraction, forte pénétration | ✅ 2 W | ✅ 2 W |
868/915 MHz | Tarifs et couverture équilibrés, respectueux de la réglementation | ✅ 1 W | ✅ 1 W |
1,9–2,0 GHz (bande S) | IoT par satellite, faible interférence, couverture mondiale | ✅ 1 W | — |
2,4 GHz | ISM mondial, bande passante élevée, écosystème riche | — | ✅ 1 W (amélioré par la méthode des éléments finis) |
4) Cartographie d'application typique
Scénario / Exigence | Modèle recommandé | Principales raisons |
Internet des objets par satellite / Mers isolées / Absence de couverture terrestre | F33-1G9 | Bande S 1 W + Sub-GHz 2 W, large couverture, faibles interférences, idéal pour l'intégration sol-espace. |
Intervention d'urgence / rétablissement après une catastrophe | F33-1G9 | Réseau indépendant, liaison robuste, stabilité de fréquence même à des températures extrêmes |
Ville intelligente / Campus IoT (Éclairage, Parking, Canalisations) | F33-2G4 | Bande passante élevée à 2,4 GHz + large couverture sub-GHz, déploiement flexible, densité de sites contrôlable |
Liaisons de données vidéo/imagerie/drones | F33-2G4 | 2,4 GHz 1 W + FEM intégré (PA+LNA), débit supérieur |
Agriculture à grande échelle / Pâturage | F33-1G9 / F33-2G4 | Couverture longue portée de 2 W en dessous du GHz ; F33-2G4 recommandé pour l'image/vidéo |
Sites industriels (Fortes interférences / Obstruction métallique) | F33-2G4 | Puissance élevée + LR-FHSS + FEM améliore la marge de liaison |
5) Bilan de liaison et puissance : de 160 mW à 2 W
Élément de comparaison | Base LoRa1121 | F33-1G9 | F33-2G4 |
Puissance d'émission maximale inférieure à 1 GHz | 22 dBm (~160 mW) | 33 dBm (2 W) à 433/470 MHz ; 30 dBm (1 W) à 868/915 MHz | 33 dBm (2 W) à 433/470 MHz ; 30 dBm (1 W) à 868/915 MHz |
Puissance à bande haute | 11 dBm (2,4 GHz) | 30 dBm (bande S) | 30 dBm (2,4 GHz) |
Stabilité de fréquence | ±10 ppm | ±0,5 ppm (TCXO) | ±0,5 ppm (TCXO) |
Sécurité / Anti-interférences | AES-128 / LR-FHSS | AES-128 / LR-FHSS | AES-128 / LR-FHSS |
Note technique : Par rapport à la version 160 mW, la mise à niveau à 2 W améliore le bilan de liaison d’environ 11 à 13 dB. Dans les mêmes conditions de modulation et d’antenne, la portée théorique en espace libre est multipliée par plusieurs fois ; en environnements complexes, la résistance aux obstacles et aux évanouissements est considérablement accrue. Un contrôle adaptatif de la puissance est recommandé afin d’optimiser la couverture et la consommation d’énergie.
6) Mécanique et interfaces (Points saillants de la sélection)
Article | F33-1G9 | F33-2G4 |
Emballage / Assemblage | Boîtier à trous de tampon, compatible CMS, prend en charge le développement secondaire | Boîtier à trous de fixation haute puissance de 39,0 × 21,0 mm, compatible CMS |
Nombre d'épingles | 18 broches (dérivation standard) | 18 broches (dérivation standard) |
Antennes | Antenne sub-GHz + antenne bande S ; compatible IPEX / trou de pressage | Antenne sub-GHz + antenne 2,4 GHz ; compatible IPEX / à trous de fixation |
Interfaces | SPI (MISO/MOSI/SCK/NSS), RESET/BUSY/IRQ, VCC/GND, activation CE | Identique au F33-1G9 |
Fournir | 3,0–5,5 V (haute tension, haute puissance) | 3,0–5,5 V (haute tension, haute puissance) |
Directives de conception | • Continuité de la mise à la terre des pistes RF et chemin de retour | • Continuité de la mise à la terre et du chemin de retour des pistes RF |
Stratégie de puissance et d'exploitation (Directives d'ingénierie)
•Puissance réglable en 22 étapes : adaptation dynamique de la puissance de sortie en fonction du RSSI/SNR pour économiser l’énergie à courte portée.
•Réception à cycle de service avec réveil rapide : recommandée pour les applications en veille prolongée.
•LR-FHSS : améliore la robustesse et l’utilisation du spectre dans les environnements à fortes interférences.
• Conception de l'alimentation : assurer une marge d'alimentation suffisante et un découplage pendant la transmission à 2 W ; isoler les alimentations PA/FEM et bande de base ; optimiser le retour à la terre et la dissipation de chaleur.
7) Approvisionnement et déploiement (perspective du coût total de possession)
Dimension | F33-1G9 | F33-2G4 |
Dépendance au réseau | Peut fonctionner sans réseau terrestre (satellite en bande S) | Déploiement flexible axé sur le réseau terrestre |
Stations de base / Passerelles | Moins (liaison satellite ou agrégation longue portée) | Densité de sites contrôlable (couverture sub-GHz + liaison de retour 2,4 GHz) |
Exploitation et maintenance | Coût de la liaison satellite maîtrisable, faible maintenance des nœuds | Communication locale gratuite, maintenance du site gérable |
Application adaptée | Besoins en haute fiabilité en milieu isolé, maritime et d'urgence | Applications urbaines, vidéo, drones, haut débit |
Puissance des bandes de fréquences
F33-1G9 (bande S) :
Bande dédiée avec un minimum d'interférences.
Excellente compatibilité avec les constellations de satellites LEO (par exemple, Starlink, OneWeb).
Propagation et pénétration équilibrées par rapport aux fréquences inférieures au GHz.
F33-2G4 (2,4 GHz ISM) :
FEM intégré (PA+LNA), gain LNA ~15 dB pour une réception améliorée.
Prend en charge un débit de données plus élevé, idéal pour les cas d'utilisation exigeants en bande passante.
Bande ISM sans licence à l'échelle mondiale, écosystème largement pris en charge.
Points forts du produit
F33-1G9 : 2 W Sub-GHz + 1 W bande S, sensibilité de –144 dBm, TCXO ±0,5 ppm, prend en charge LR-FHSS et AES-128 ; idéal pour l’IoT par satellite, les urgences et la couverture à distance.
F33-2G4 : 2 W Sub-GHz + 1 W 2,4 GHz, FEM intégré (PA+LNA), sensibilité de –129 dBm ; idéal pour les villes intelligentes, la vidéo et les applications à large bande passante des drones.
+86-755-23080616
sales@nicerf.com
Site Internet : https://www.nicerf.com/
Adresse : 309-314, 3/F, bâtiment A, bâtiment commercial de Hongdu, zone 43, Baoan Dist, Shenzhen, Chine
politique de confidentialité
· Politique de confidentialité
Il n'y a actuellement aucun contenu disponible
Courriel : sales@nicerf.com
Tél : +86-755-23080616