Contactez-nous
| Paramètre | Min. | Typ. | Max. | Unité | Condition |
| État de fonctionnement | |||||
| Tension de fonctionnement | 1.8 | 3.3 | 3.7 | V | |
| Plage de température | -40 | 85 | ℃ | ||
| Consommation actuelle | |||||
| Courant de réception | 10.8 | mA | |||
| Courant d'émission | 120 | mA | @20dBm | ||
| Courant de sommeil | 1 | uA | |||
| Paramètre RF | |||||
| Gamme de fréquence | 403 | 433 | 463 | MHz | @433MHz |
| 470 | 490 | 510 | MHz | @490MHz | |
| Débit de données | 1.2 | 300 | Kbit/s | FSK | |
| 0,018 | 37,5 | Kbit/s | LoRa | ||
| Puissance de sortie | -1 | 20 | dBm | ||
| Sensibilité de réception | -123 | dBm | Données @FSK = 1,2 kbps, Fdev = 10 kHz | ||
| -139 | dBm | @LoRa BW=125KHz_SF = 12_CR=4/5 | |||
| Interface | Spice |
| Ébrécher | SX1278 |
| Fréquence | 433 MHz, 470 MHz |
| Modulation | Lora |
| Puissance de sortie | 100 MW |


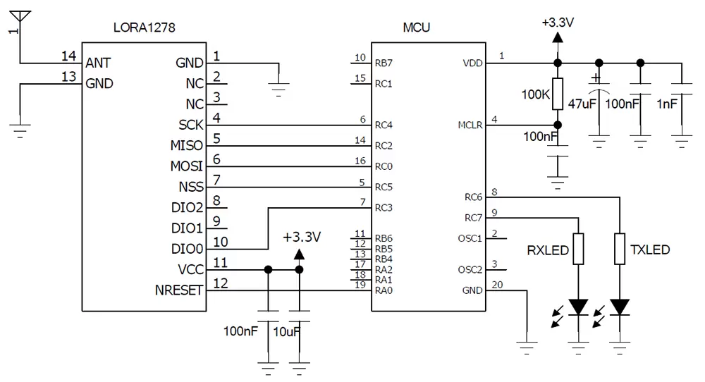
| Broche NO. | Nom de la broche | Description |
| 1 | GND | mise à la terre |
| 2 | Caroline du Nord | Vide |
| 3 | Caroline du Nord | Vide |
| 4 | SCK | Horloge série pour interface SPI |
| 5 | MISO | Sortie SPI pour les données SPI |
| 6 | MOSI | Entrée SPI pour les données SPI |
| 7 | SNS | Activation SPI |
| 8 | DIO2 | E/S numériques, personnalisables |
| 9 | DIO1 | E/S numériques, personnalisables |
| 10 | DIO0 | E/S numériques, personnalisables |
| 11 | VCC | Alimentation connectée (3,3 V par défaut) |
| 12 | NRESET | Réinitialiser l'entrée |
| 13 | GND | mise à la terre |
| 14 | FOURMI | Connectez-vous avec une antenne coaxiale de 50 ohms |


politique de confidentialité
· Politique de confidentialité
Il n'y a actuellement aucun contenu disponible
Courriel : sales@nicerf.com
Tél : +86-755-23080616