Certification: Others
Modulation: LoRa
Chip: SX1268
Interface: SPI
Output Power: 2W
Frequency: 433MHz
Taille (mm):38*20
Paramètre | Min . | Typique | Max. | Unité | Condition |
Conditions de fonctionnement | |||||
Tension de fonctionnement | 3 | 5 | 6,5 | V | |
Plage de température | -40 | 25 | 85 | °C | |
Consommation actuelle | |||||
courant RX | < 5 | mA | à 433 MHz , 470 MHz à 5 V | ||
< 7 | mA | à 868 MHz , 915 MHz à 5 V | |||
courant TX | 500 | 60 0 | mA | à 5 V 30 dBm , 433 MHz , 470 MHz | |
600 | 700 | mA | à 5 V 30 dBm , 868 MHz , 915 MHz | ||
750 | 850 | mA | à 6 V 33 dBm à 4 33 MHz , 470 MHz | ||
Courant de sommeil | < 2 | uA | à 433 MHz , 470 MHz | ||
< 5 | uA | à 868 MHz , 915 MHz | |||
Paramètre RF | |||||
Gamme de fréquences | 400 | 433 | 460 | MHz | à 433 MHz |
470 | 4 9 0 | 510 | MHz | à 470 MHz | |
848 | 868 | 888 | MHz | à 868 MHz | |
900 | 915 | 940 | MHz | à 915 MHz | |
Débit de données | 1.2 | 300 | Kbps | @FSK | |
0,018 | 62,5 | Kbps | @ Lo R a | ||
Puissance de sortie | 31 | 3 3 | dBm | à 433 MHz , 470 MHz à 5 V | |
29 | 3 1 | dBm | @868MHz , 915MHz à 5v | ||
Logiciel ajustable plage de puissance | 1 2 | 3 2 | dBm | à 433 MHz , 470 MHz à 5 V | |
1 | 3 0 | dBm | à 868 MHz, 915 MHz à 5 V | ||
Sensibilité de réception | -122 | dBm | @Données FSK = 1,2 Kbps Fdev = 50 KHz | ||
-139 | dBm | @Lora BW = 62,5 KHz SF = 12 CR = 4/5 | |||
| Interface | SPI |
| Ébrécher | SX1262 |
| Fréquence | 868 MHz, 915 MHz |
| Modulation | LoRa |
| Puissance de sortie | 2W |


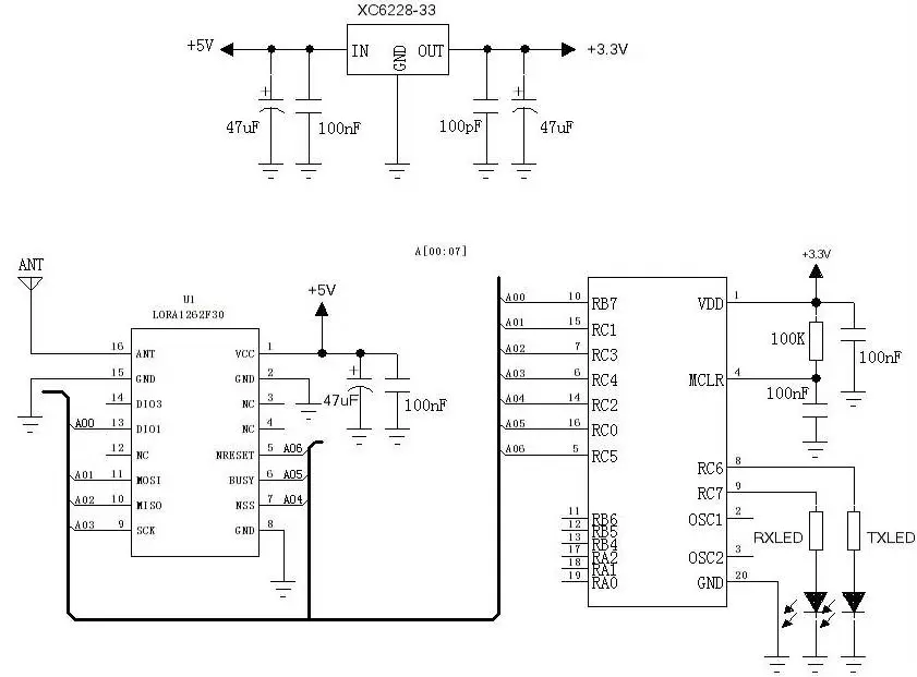
| Broche N° | Nom de la broche | Description |
| 1 | VCC | Alimentation électrique |
| 2 | GND | terre d'alimentation |
| 3.4.12 | Caroline du Nord | Vide |
| 5 | NRESET | terre d'alimentation |
| 6 | OCCUPÉ | Utilisé pour l'indication d'état, voir les données de la puce pour plus de détails. |
| 7 | NSS | Activation SPI |
| 8 | GND | terre d'alimentation |
| 9 | SCK | Horloge série pour interface SPI |
| 10 | MISO | Sortie SPI pour les données SPI |
| 11 | MOSI | Entrée SPI pour les données SPI |
| 13 | DIO1 | E/S numériques, personnalisables |
| 14 | DIO3 | E/S numériques, personnalisables |
| 15 | GND | terre d'alimentation |
| 16 | FOURMI | Connectez-vous avec une antenne coaxiale de 50 ohms |


politique de confidentialité
· Politique de confidentialité
Il n'y a actuellement aucun contenu disponible
Courriel : sales@nicerf.com
Tél : +86-755-23080616