Contactez-nous
★ Les paramètres suivants sont obtenus en connectant l'instrument à un axe en cuivre de 50 ohms. @VCC=3,3V.
| Paramètre | Min. | Typ. | Max. | Unité | Condition |
| État de fonctionnement | |||||
| Tension de fonctionnement | 1.8 | 3.3 | 3.7 | V | |
| Plage de température | -40 | 85 | ℃ | ||
| Consommation actuelle | |||||
| Courant de réception | < 10 | mA | @LoRa1280 LoRa1281 | ||
| Courant d'émission | 26 | 30 | mA | @Vcc=3,3 V, 12,5 dBm @LoRa1280/LoRa1281 | |
| Courant de sommeil | < 1 | uA | |||
| Paramètre RF | |||||
| Gamme de fréquence | 2400 | 2500 | MHz | ||
|
Débit de données | 0,476 | 202 | Kbit/s | @LoRa | |
| 260 | 1300 | Kbit/s | @FLRC | ||
| 125 | 2000 | Kbit/s | @FSK | ||
| Puissance de sortie | -18 | 12,5 | dBm | @VCC=3,3V | |
| Sensibilité de réception | -132 | dBm | LoRa à 0,476 Kbit/s | ||
| Interface | IPS |
| Ébrécher | SX1280,SX1281 |
| Fréquence | 2,4 GHz |
| Modulation | LoRa |


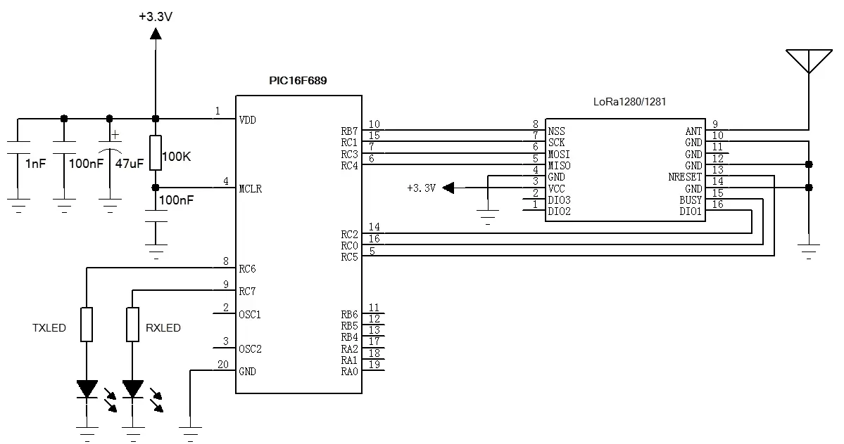
| Épingle no | Nom de broche | Description |
| 1 | Dio2 | Directement connecté à la broche de puce, IO à usage général configurable (voir la spécification Chip SX1280 / 1281 pour plus de détails) |
| 2 | Dio3 | Directement connecté à la broche de puce, IO à usage général configurable (voir la spécification Chip SX1280 / 1281 pour plus de détails) |
| 3 | VCC | Connecté au pôle positif de l'alimentation (1,8-3,7 V) |
| 4 | GND | Connecté au pôle négatif |
| 5 | Miso | Broche de sortie de données SPI |
| 6 | Mosi | Broche d'entrée de données SPI |
| 7 | SCK | Pin d'entrée d'horloge SPI |
| 8 | NSS | Pin de sélection de la puce de module |
| 9 | FOURMI | Connectez-vous avec une antenne coaxiale de 50 ohms |
| 10,11,12 | GND | Connecté au pôle négatif |
| 13 | Nrésist | Pin de déclenchement de réinitialisation de la puce, actif bas |
| Remarque: Pour les modules LORA1280 et LORA1281, la broche 14 est GND | ||
| 14 | GND | Connecté au pôle négatif |
| Remarque: Pour le module LORA1280-TCXO, la broche 14 est tcxoen | ||
| 14 | Tcxoen | Allumez TCXO: 1. Tournez la broche TCXOEN à un niveau élevé avant de réinitialiser SX1280; 2. Retarder au moins 3 ms pour attendre le démarrage TCXO; 3. Lors de l'utilisation du module 1280, TCXOEN doit rester en haut niveau; Désactivez TCXO (si le module doit entrer en mode de sommeil): 1. Appelez la fonction SetSleep () pour faire entrer le module en mode de sommeil; 2. Retarder au moins 1 ms pour attendre le sommeil du module; 3. Tournez la broche TCXOEN à bas niveau pour désactiver TCXO. |
| 15 | OCCUPÉ | Pin de l'indicateur d'état (voir SX1280 / 1281 Spécification pour plus de détails) |
| 16 | Dio1 | Directement connecté à la broche de puce, IO à usage général configurable (voir la spécification Chip SX1280 / 1281 pour plus de détails) |

politique de confidentialité
· Politique de confidentialité
Il n'y a actuellement aucun contenu disponible
Courriel : sales@nicerf.com
Tél : +86-755-23080616