Contactez-nous
|
LoRaStar610 | Paramètre | Min | Typique | Max | Unité | Condition | ||||
| État de fonctionnement | ||||||||||
| Plage de tension | 3.3 | 5.0 | 6,5 | V | *2 | |||||
| Température de fonctionnement | -40 | 25 | +85 | °C | ||||||
| Consommation actuelle | ||||||||||
| Courant Rx | < 15 | mA | Niveau TTL | |||||||
| Courant Tx | < 130 | mA | ||||||||
| Courant de sommeil | *1 | < 200 | uA | |||||||
| Paramètre RF | ||||||||||
| Gamme de fréquences (spécifications différentes) | 414,92 | 433,92 | 453,92 | MHz | à 433 MHz | |||||
| 470,92 | 490,92 | 509,92 | MHz | à 470 MHz | ||||||
| 849,92 | 868,92 | 888,92 | MHz | @868MHz | ||||||
| 895,92 | 914,92 | 934,92 | MHz | à 915 MHz | ||||||
| Débit de données | 91 | 656 | 17353 | bps | @LoRa | |||||
| Puissance de sortie | 4 | 20 | +20 | dBm | Logiciel 7 réglable | |||||
| Sensibilité | -139 | dBm | à 91 bps | |||||||
|
LoRaStar611 | Paramètre | Min | Typique | Max | Unité | Condition | ||||
| État de fonctionnement | ||||||||||
| Plage de tension | 3.3 | 5.0 | 6,5 | V | ||||||
| Température de fonctionnement | -40 | 25 | +85 | °C | ||||||
| Consommation actuelle | ||||||||||
| Courant Rx | < 15 | mA | Niveau TTL | |||||||
| Courant Tx | < 130 | mA | ||||||||
| Courant de sommeil | *1 | < 200 | uA | |||||||
| Paramètre RF | ||||||||||
| Gamme de fréquences (spécifications différentes) | 414,92 | 433,92 | 453,92 | MHz | à 433 MHz | |||||
| 470,92 | 490,92 | 509,92 | MHz | à 470 MHz | ||||||
| 849,92 | 868,92 | 888,92 | MHz | @868MHz | ||||||
| 895,92 | 914,92 | 934,92 | MHz | à 915 MHz | ||||||
| Débit de données | 91 | 656 | 17353 | bps | @LoRa | |||||
| Puissance de sortie | 4 | 20 | +20 | dBm | Logiciel 7 réglable | |||||
| Sensibilité | -139 | dBm | à 91 bps | |||||||
|
LoRaStar6100 LoRaStar6102 | Paramètre | Min | Typique | Max | Unité | Condition | ||||
| État de fonctionnement | ||||||||||
| Plage de tension | 3.3 | 5.0 | 6,5 | V | ||||||
| Température de fonctionnement | -40 | 25 | +85 | °C | ||||||
| Consommation actuelle | ||||||||||
| Rxcurrent | < 16 | mA | @5V, niveau TTL | |||||||
| Courant Tx | < 600 | mA | @5V, niveau TTL | |||||||
| Courant de sommeil | < 250 | uA | @5V, niveau TTL | |||||||
| Paramètre RF | ||||||||||
| Gamme de fréquences (spécifications différentes) | 414,92 | 433,92 | 453,92 | MHz | à 433 MHz | |||||
| 470,92 | 490,92 | 509,92 | MHz | à 470 MHz | ||||||
| 849,92 | 868,92 | 888,92 | MHz | @868MHz | ||||||
| 895,92 | 914,92 | 934,92 | MHz | à 915 MHz | ||||||
| Débit de données | 91 | 656 | 17353 | bps | @LoRa | |||||
| Puissance de sortie | + 24 | > 29,5 | + 31 | dBm | @5V,@433/490MHz | |||||
| + 21 | > 27 | + 28,5 | dBm | @5V,@868/915MHz | ||||||
| Sensibilité | -139 | dBm | à 91 bps | |||||||
|
LoRaStar6200 | Paramètre | Min | Typique | Max | Unité | Condition | |
| État de fonctionnement | |||||||
| Plage de tension | 9 | 12 | 30 | V | |||
| Température de fonctionnement | -40 | 25 | +85 | °C | |||
| Consommation actuelle | |||||||
| Rxcurrent | < 18 | mA | Niveau TTL | ||||
| Courant Tx | < 500 | mA | à 33 dBm, 12 V | ||||
| Courant de sommeil | < 7 | mA | |||||
| Paramètre RF | |||||||
| Gamme de fréquences (spécifications différentes) | 414,92 | 433,92 | 453,92 | MHz | à 433 MHz | ||
| 470,92 | 490,92 | 509,92 | MHz | à 470 MHz | |||
| Débit de données | 91 | 656 | 17353 | bps | @LoRa | ||
| Puissance de sortie | 18 | / | +33 | dBm | @12V,@433/490MHz | ||
| Sensibilité | -139 | dBm | à 91 bps | ||||
|
LoRaStar6500 | Paramètre | Min | Typique | Max | Unité | Condition | |
| État de fonctionnement | |||||||
| Plage de tension | 9 | 12 | 30 | V | *2 | ||
| Température de fonctionnement | -40 | 25 | +85 | °C | |||
| Consommation actuelle | |||||||
| Courant Rx | < 18 | mA | Niveau TTL | ||||
| Courant Tx | <1,8 | UN | à 37 dBm, 12 V | ||||
| Courant de sommeil | < 7 | mA | |||||
| Paramètre RF | |||||||
| Gamme de fréquences Différentes spécifications | 414,92 | 433,92 | 453,92 | MHz | à 433 MHz | ||
| 470,92 | 490,92 | 509,92 | MHz | à 470 MHz | |||
| Débit de données | 91 | 656 | 17353 | bps | @LoRa | ||
| Puissance de sortie | 28 | / | +37 | dBm | @12V,@433/490MHz | ||
| Sensibilité | -139 | dBm | à 91 bps | ||||
| Interface | TTL, RS232, RS485 |
| Réseau | ÉTOILE |
| Fréquence | 433 MHz, 470 MHz, 868 MHz, 915 MHz |
| Modulation | LoRa |
| Puissance de sortie | 100 mW, 500 mW, 1 W, 2 W, 5 W, 30 W |



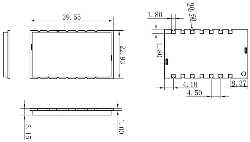
LoRaStar610 :

LoRaStar611 :

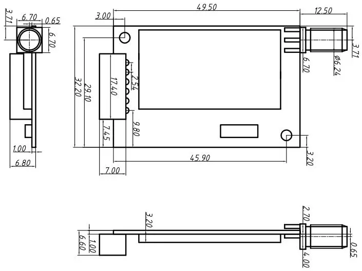
LoRaStar6100 :

LoRaStar6102 :

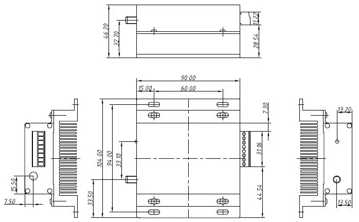
LoRaStar6200 :

LoRaStar6500 :

politique de confidentialité
· Politique de confidentialité
Il n'y a actuellement aucun contenu disponible
Courriel : sales@nicerf.com
Tél : +86-755-23080616