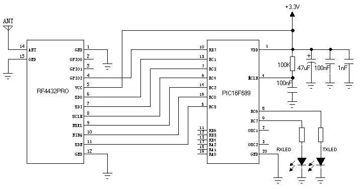
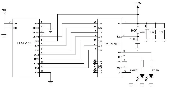
RF4432PRO : Module émetteur-récepteur RF 868 MHz certifié CE-RED avec blindage
Type: (G)FSK Front-End Modules
Certification: CE-RED
Modulation: (G)FSK
Chip: si4432
Interfacce: SPI
Output Power: 100mW
Frequency: 868MHz
Taille (mm):17,3*17

French







