Taper: Modules ASK
Attestation: ID FCC,CE-RED
La fréquence: 433 MHz
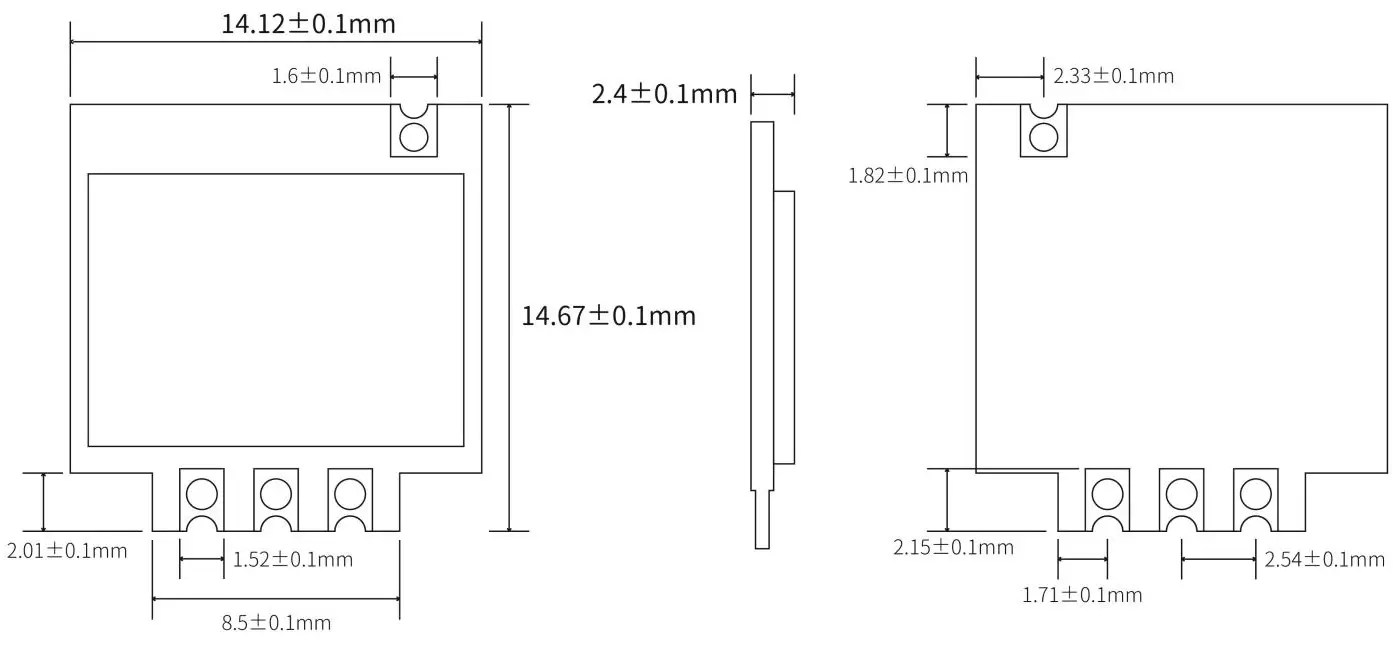
Taille (mm):14.12 * 14.67
| Paramètre | Min. | Typique | Max. | Unité | Condition |
| Conditions de fonctionnement | |||||
| Plage de tension de fonctionnement | 2.0 | 3.3 | 5.5 | V | |
| Tension de température | -30 | 80 | °C | ||
| Recevoir du temps libre | 3 | MS | @Allumez VDD pour recevoir des données | ||
| 2.3 | MS | @Changement de haut en bas dans CS pour recevoir des données | |||
| Consommation actuelle | |||||
| Courant de travail | <3 | mA | @CS=0 fois | ||
| <0,1 | uA | @CS=1 fois | |||
| Paramètre RF | |||||
| Gamme de fréquences | 433,72 | 433,92 | 434.12 | MHz | à 433 MHz |
| Sensibilité | -111 | dBm | à 1 Kbps | ||
| Débit de données | 0,1 | 5 | Kbps | ||
| Bande passante de réception | 400 | kHz | |||
| Modulation | DEMANDER |
| Fréquence | 433 MHz |
| Certification | CE-RED |

| Broche N° . | Nom de la broche | Description |
1 | VCC | Connectez l'alimentation positive (2-5,5 V ) |
2 | CS | Broche d'activation du module H : dormir L : travailler |
3 | DONNÉES | Broche de sortie de données |
4,5,7,8 | GND | Mise à la terre |
6 | FOURMI | Connectez une antenne de 50 ohms |


politique de confidentialité
· Politique de confidentialité
Il n'y a actuellement aucun contenu disponible
Courriel : sales@nicerf.com
Tél : +86-755-23080616