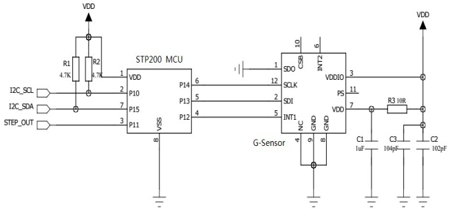
STP201 : Jeu de puces de podomètre 3D pour application au poignet avec interface IIC
Paquet: CI
Interface: IIC
Application: Poignet
| Paramètres | Condition | Performance | Unité | ||
| Min. | Type | Max. | |||
| Tension de fonctionnement | 2.3 | 3 | 3.6 | V | |
| Courant de travail | @3V | 80 | uA | ||
| Courant de sommeil | < 5 | uA | |||
| Résolution par étapes | 1 | Étape | |||
| Erreur du podomètre | Travail uniforme | ±3% | Étape | ||
| Température de fonctionnement | -10 | 50 | °C | ||
| Température de stockage | -10 | 50 | °C | ||
| Fonction spéciale | Module podomètre |

politique de confidentialité
· Politique de confidentialité
Il n'y a actuellement aucun contenu disponible
Courriel : sales@nicerf.com
Tél : +86-755-23080616