Paquet: CI
Interface: IIC
Application: Poignet
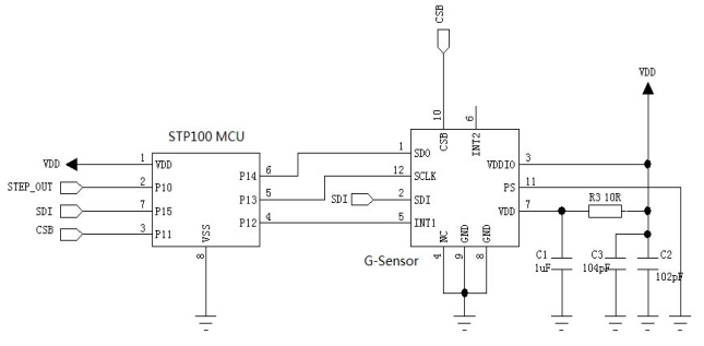
Le STP100 est un podomètre 3D intégrant un accéléromètre et un microcontrôleur. Il adopte une interface à impulsions, un capteur MEMS 3D (accéléromètre) et un algorithme de podomètre 3D haute précision, permettant une mesure précise du podomètre dans toutes les directions. Compact et peu gourmand en énergie, ce module est facile à utiliser avec un podomètre 3D, un podomètre multifonction USB et peut être intégré à divers systèmes de podomètre.
| Paramètre | Condition | Performance | Unité | ||
| MIN | TYPE | MAX | |||
| Tension de fonctionnement | 2.3 | 3 | 3.6 | V | |
| Courant de travail | @3V | < 25 | uA | ||
| Courant de sommeil | < 4 | uA | |||
| Résolution par étapes | 1 | Étape | |||
| Erreur du podomètre | Travail uniforme | ±3% | Étape | ||
| Température de fonctionnement | -10 | 50 | °C | ||
| Température de stockage | -10 | 50 | °C |
| Fonction spéciale | Module podomètre |

politique de confidentialité
· Politique de confidentialité
Il n'y a actuellement aucun contenu disponible
Courriel : sales@nicerf.com
Tél : +86-755-23080616