Le RF9209 est un émetteur-récepteur sans fil FSK fonctionnant dans la bande ISM 2,4 GHz. Comparé aux autres modules/puces 2,4 GHz, il se distingue par sa faible consommation, sa haute sensibilité, sa puissance de sortie élevée et sa communication longue distance. Ce module intègre une puce sans fil conçue par l'un des leaders européens de la RF. Ses caractéristiques de faible coût, de faible encombrement et de stabilité, sa puissance de sortie de 10 dBm, son courant de réception de 7 mA et sa sensibilité de -115 dBm sont bien supérieures à celles des modules sans fil 2,4 GHz actuellement disponibles sur le marché. Il est largement utilisé dans de nombreux domaines. Il est conforme aux certifications ROHS et FCC et ETSI.
| Paramètre | Min. | Typique | Max. | Unité | Conditions |
| État de fonctionnement | |||||
| Tension de fonctionnement | 1.9 | 3.3 | 3.6 | V | |
| Température de fonctionnement | -40 | 85 | °C | ||
| Consommation actuelle | |||||
| Courant Rx | 7 | mA | |||
| Courant Tx | 36 | mA | à 10 dBm | ||
| Courant de veille | <0,1 | uA | |||
| Paramètres RF | |||||
| Gamme de fréquences | 2400 | 2483,5 | MHz | ||
| Débit de données | 1,5 | 72 | Kbps | FSK | |
| Puissance de sortie | -20 | 10 | dBm | ||
| Sensibilité de réception | -115 | dBm | @data=1,2 kbps | ||
| Modulation | (G)FSK |
| Ébrécher | Autres |
| Fréquence | 2,4 GHz |
| Puissance de sortie | 10 mW |
| Interface | SPI |


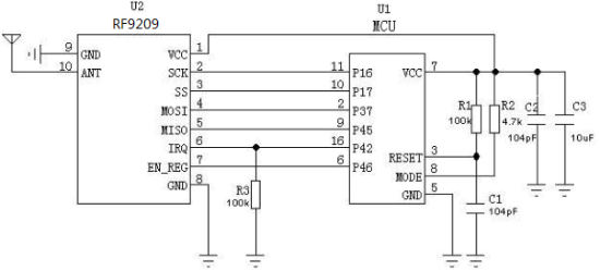
| Broche N° | Nom de la broche | E/S | Description |
| 1 | VCC | Connecter VCC | |
| 2 | SCK | je | Entrée d'horloge SPI |
| 3 | SS | je | Broche d'entrée de sélection d'interface série. |
| 4 | MOSI | je | Entrée de données pour l'interface SPI |
| 5 | MISO | O | Sortie de données pour l'interface SPI |
| 6 | IRQ | O | Sortie d'interruption externe |
| 7 | EN_REG | Signal d'activation de la puce de contrôle principale | |
| 8 | GND | Connectez GND | |
| 9 | GND | Antenne négative | |
| 10 | FOURMI | Connectez une antenne coaxiale de 50 ohms | |
| 11 | GND | Antenne négative |

politique de confidentialité
· Politique de confidentialité
Il n'y a actuellement aucun contenu disponible
Courriel : sales@nicerf.com
Tél : +86-755-23080616