La série LoRa128X-C1 est strictement fabriquée et testée à l'aide de processus sans plomb, conformes aux normes RoHS et Reach.
Cette série de modules est conçue à partir des puces RF SX1280/SX1281 du fabricant américain Semtech. Elle utilise la modulation LoRa, ce qui permet de pallier efficacement les limitations des courtes distances de communication des modules 2,4 GHz courants. De plus, les modules intègrent la fonctionnalité « temps de vol » pour les applications de mesure de distance sans fil.
Grâce à la capacité de pénétration élevée de la bande de fréquence 2,4 GHz combinée à la modulation LoRa, ces modules offrent une excellente sensibilité de réception et une résistance aux interférences environnementales, ce qui les rend adaptés aux scénarios nécessitant une transmission longue distance 2,4 GHz.

Module | LoRa128X-C1-TIP | LoRa128X-C1-TA | LoRa128X-C1-IP | LoRa128X-C1-A |
Caractéristiques | Équipé d'un connecteur d'antenne IPEX , Oscillateur à quartz TCXO de qualité industrielle à compensation de température de 0,5 ppm | À bord Antenne PCB , Oscillateur à quartz TCXO de qualité industrielle à compensation de température de 0,5 ppm | Avec connecteur d'antenne IPEX , Oscillateur à cristal de qualité industrielle 10 ppm | Antenne PCB embarquée , Oscillateur à cristal de qualité industrielle 10 ppm |
★ Les paramètres suivants sont obtenus par des tests avec un câble coaxial de 50 ohms connecté à l'instrument à VCC = 3,3 V.
Paramètres | Min . | Typique | Max. | Unité | Condition |
État de fonctionnement | |||||
Plage de tension de fonctionnement | 1. 8 | 3.3 | 3.7 | V | |
Tension de température | -40 | 85 | °C | ||
Consommation actuelle | |||||
courant RX | < 1 1 | mA | @ LoRa 128 x-C1-IP/ LoRa128x-C1-A | ||
< 1 3 | mA | @ LoRa 128 x-C1-TIP/ LoRa128x-C1-TA | |||
courant TX | 50 | mA | @V CC = 3,3 V, 12,5 dBm
| ||
Courant de sommeil | < 1 | uA | |||
Gamme de fréquences | |||||
Gamme de fréquences | 2400 | 2500 | MHz | ||
Débit de données | 0,476 | 202 | Kbps | @LoRa | |
260 | 1300 | Kbps | @FLRC | ||
125 | 2000 | Kbps | @FSK | ||
Puissance de sortie | -18 | 12,5 | dBm | @VCC=3,3V | |
Sensibilité de réception | -132 | dBm | LoRa à 0,476 Kbps | ||
n Plage de fréquences de fonctionnement : 2 400-2 500 MHz
Modulation n LoRa FLRC FSK
n Taux de transfert de données : 0,476-202 Kbps à LoRa
n Puissance de sortie maximale : 12,5 dBm
n Sensibilité : -132 dBm @ LoRa
n Oscillateur à cristal de haute précision (0,5 ppm TCXO/10 ppm)
n Mode de communication par paquets (réception/transmission FiFo 256 octets)
n Plage de tension de fonctionnement : 1,8-3,7 V
n Plage de températures de fonctionnement : -40~+85°C
Applications
n Télécommande sans fil
n Maison intelligente
n Contrôle des jouets
n Surveillance de la pression des pneus
n Surveillance de la santé
n Lecteur/Écrivain de balises
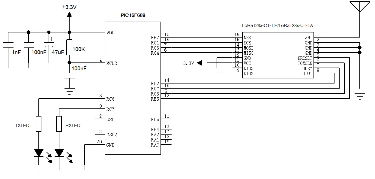
LoRa128X-C1-TIP/LoRa128X-C1-TA :

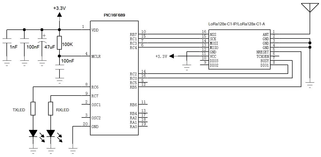
LoRa128X-C1-IP/LoRa128X-C1-A :


Broche N° | Nom de la broche | Description |
1 | FOURMI | Connectez-vous avec une antenne coaxiale de 50 ohms |
2,3,4,12 | GND | Connecté au pôle négatif |
5 | NRESET | Broche de déclenchement de réinitialisation de la puce, active basse |
6 | TCXOEN | Activer le TCXO : 1. Tournez la broche TCXOEN au niveau haut avant de réinitialiser le SX1280 ; 2. Attendez au moins 3 ms pour le démarrage du TCXO . 3. Pendant l'utilisation du module 1280, le TCXOEN doit rester à un niveau élevé Désactiver le TCXO (si le module doit entrer en mode veille) : 1. Appelez la fonction Set Sleep() pour mettre le module en mode veille ; 2. Attendez au moins 1 ms que le module termine son processus de mise en veille ; 3. Déroulez TCXOEN pour désactiver TCXO ; Lorsque vous utilisez un oscillateur à cristal ordinaire, laissez cette broche flottante. |
7 | OCCUPÉ | Broche indicatrice d'état (reportez-vous à la fiche technique SX1280/1281 pour plus de détails). |
8 | DIO1 | Broches de puce à connexion directe, configurables comme E/S à usage général (les détails de la fonction peuvent être trouvés dans la fiche technique SX1280/1281). |
9 | DIO2 | Broches de puce à connexion directe, configurables comme E/S à usage général (les détails de la fonction peuvent être trouvés dans la fiche technique SX1280/1281). |
10 | DIO3 | Broches de puce directement connectées, configurables comme E/S à usage général (les détails de la fonction peuvent être trouvés dans la fiche technique SX1280/1281). |
11 | VCC | Connectez l'alimentation positive (1,8-3,7 V). |
13 | MISO | Sortie SPI pour les données SPI |
14 | MOSI | Entrée SPI pour les données SPI |
15 | SCK | Horloge série pour interface SPI |
16 | NSS | Broche de sélection de puce de module |

politique de confidentialité
· Politique de confidentialité
Il n'y a actuellement aucun contenu disponible
Courriel : sales@nicerf.com
Tél : +86-755-23080616