La série SA316S se compose des modules émetteurs SA316S-TX et SA316F30, ainsi que du module récepteur SA316S-RX. Cette série intègre une puce de transmission vocale sans fil de haute qualité. Elle prend en charge les interfaces audio numériques bimodes PCM/IIS externes et offre aux utilisateurs une interface série standardisée. Les utilisateurs peuvent régler rapidement et facilement la fréquence de l'émetteur-récepteur, le volume, le gain du microphone et d'autres paramètres du module via des commandes de port série, ce qui est largement utilisé dans les situations nécessitant une qualité sonore élevée.
Paramètre | Conditions de test | Min . | Typ . | Max . | Unité |
Plage de tension de fonctionnement | @SA316S-TX, SA316-RX | 2.8 | 3.3 | 3.6 | V |
@SA316F30 | 3.3 | 4.0 | 5.0 | ||
Plage de température de fonctionnement | -20 | 25 | 60 | °C | |
Plage de fréquences de fonctionnement | @UHF | 500 | 540 | MHz | |
800 | 890 | MHz | |||
890 | 980 | MHz | |||
@VHF | 160 | 270 | MHz | ||
Délai de transmission et de réception audio | 4 | MS | |||
Débit en bauds du port série | 9600 | bps | |||
Consommation actuelle | |||||
Dormircourant (SA316-RX) | <0,4 | mA | |||
Courant de sommeil | SA316S-TX | 5 | 10 | uA | |
| SA316F30 | < 1,6 | m A | |||
Courant de réception (SA316-RX) | @VCC=3,3V | < 115 | m A | ||
Courant de transmission (SA316S-TX) | @ Pendant la transmission | < 100 | mA | ||
@Ne transmet pas | <54 | mA | |||
Courant de transmission (SA316F30-TX) | @Pendant la transmission, 5 v | < 700 | mA | ||
@ Ne transmet pas, 5 V | <60 | mA | |||
Transmettre le paramètre | |||||
Puissance de transmission | @SA316S-TX, VCC=3,3V | 9 | 10 | 11 | dBm |
@SA316F30-TX, VCC = 5,0 V | 29 | 30 | 31 | dBm | |
Bande passante d'émission ( BW) | 300 | kHz | |||
Rapport de puissance des canaux adjacents ( ACPR ) | à 600 kHz | -60 | dBc | ||
Tension d'entrée maximale du microphone | 0,1 | 1.0 | Valeurs efficaces | ||
Plage de réponse en fréquence audio | 30 | 20 000 | Hz | ||
Recevoir les paramètres | |||||
Sensibilité de réception | -96 | dBm | |||
Amplitude de sortie audio (différentielle) | 400 | mVrms | |||
Résistance de la sortie audio | 600 | Ohm | |||
Rapport signal sur bruit (SNR) | à 1 kHz | 86 | dB | ||
Distorsion harmonique totale (THD) | @48K Taux d'échantillonnage | 0,07 | % | ||
| Taper | Audio sans fil |
| Puissance de sortie | 10 mW |
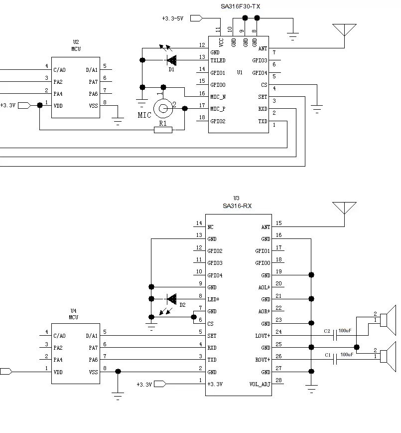
Circuit d'application d'entrée et de sortie analogiques


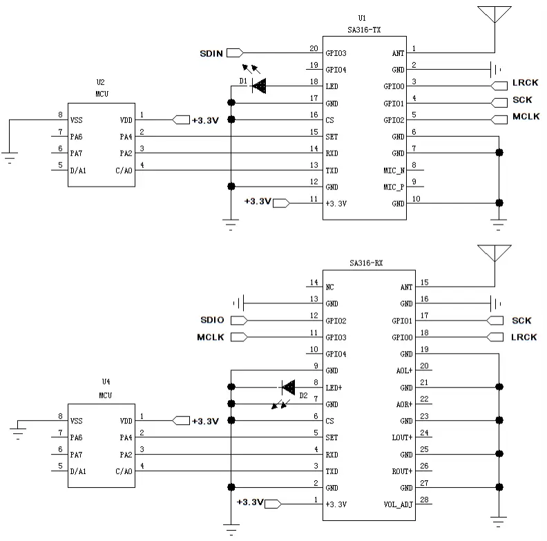
Circuit d'application d'entrée et de sortie IIS


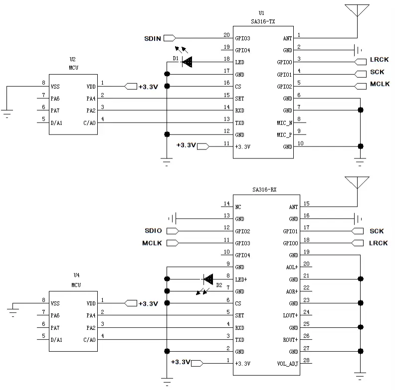
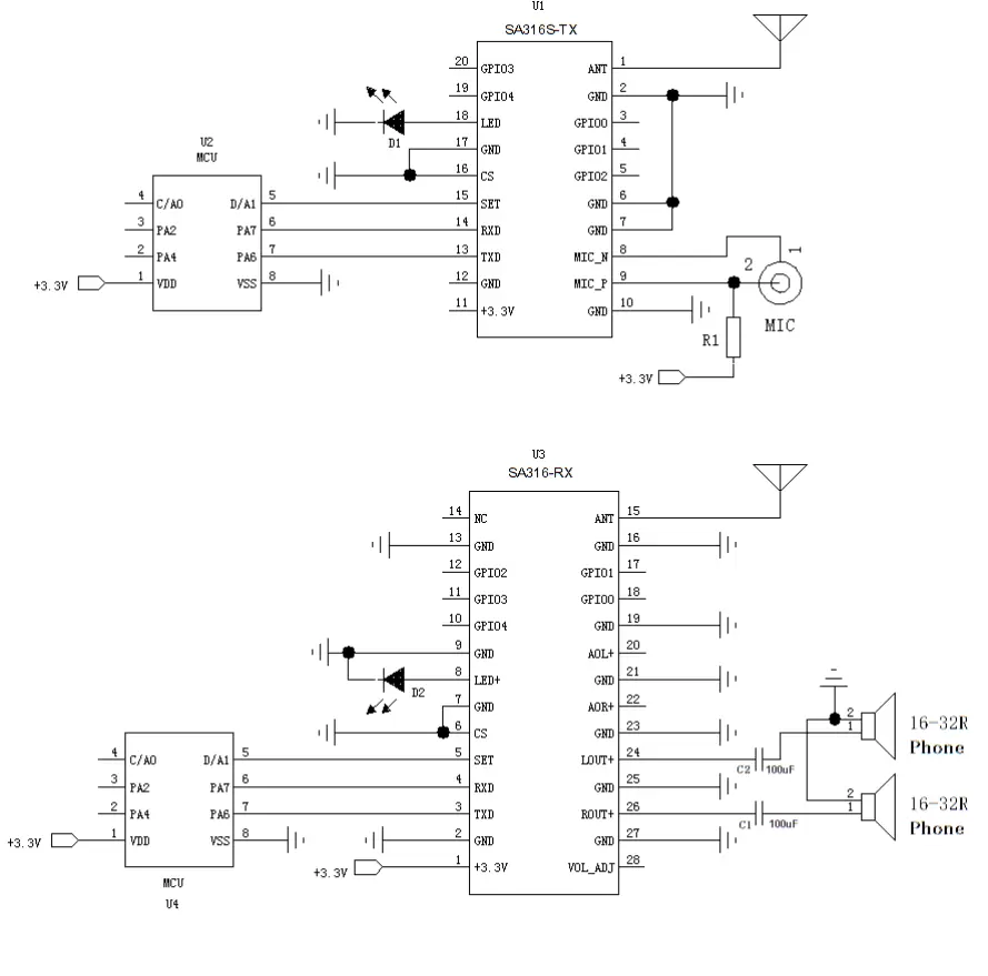
SA316-TX

| Broche N° | Nom de la broche | E/S | Niveau standard | Description |
| 1 | FOURMI | 0 | Sortie de signal RF, connexion à une antenne de 50 ohms | |
| 2, 6, 7, 10, 12, 17 | GND | 0V | Connectez-vous au pôle négatif de l'alimentation | |
| 3 | GPIO0 | E/S | 0-3,3 V | Le GPIO0 de la puce audio intégrée peut être configuré comme LRCK lors de l'utilisation du mode I2S |
| 4 | GPIO1 | E/S | 0-3,3 V | Le GPIO1 de la puce audio intégrée peut être configuré comme SCK lors de l'utilisation du mode I2S |
| 5 | GPIO2 | E/S | 0-3,3 V | Le GPIO2 de la puce audio intégrée peut être configuré comme MCLK lors de l'utilisation du mode I2S |
| 8 | MIC_N | je | Extrémité négative de l'entrée du microphone, peut être laissée flottante | |
| 9 | MIC_P | je | Extrémité positive de l'entrée du microphone (le meilleur signal est inférieur à 300 mVrms) | |
| 11 | VCC | +3,3 V | Entrée d'alimentation positive (2,8 V-3,6 V, typiquement 3,3 V) | |
| 13 | TXD | O | 0-3,3 V | Sortie de données série |
| 14 | RXD | je | 0-3,3 V | Entrée de données série |
| 15 | ENSEMBLE | je | 0-3,3 V | Fonction temporairement réservée |
| 16 | CS | je | 0-3,3 V | Broche de veille du module (travail de bas niveau, veille de haut niveau) |
| 18 | DIRIGÉ | O | 0-3,3 V | Indication de sortie, sortie élevée lors de la transmission du signal, sortie faible lorsqu'il n'y a pas de transmission de signal |
| 19 | GPIO4 | I/0 | 0-3,3 V | GPIO4 de la puce audio intégrée |
| 20 | GPIO3 | E/S | 0-3,3 V | Le GPIO3 de la puce audio intégrée peut être configuré comme SDIN lors de l'utilisation du mode I2S |
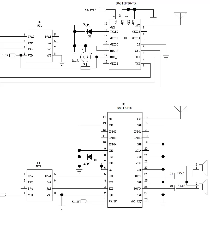
SA316-F30

Broche N° . | Nom de la broche | E/S | Niveau standard | Description |
1 | TXD | O | 0-3,3 V | Sortie de données série |
2 | RXD | je | 0-3,3 V | Entrée de données série |
3 | ENSEMBLE | je | 0-3,3 V | Fonction temporairement réservée |
4 | CS | je | 0-3,3 V | Broche de veille du module (travail de bas niveau, veille de haut niveau) |
5 | GPIO4 | I/0 | 0-3,3 V | GPIO4 de la puce audio intégrée |
6 | GPIO3 | E/S | 0-3,3 V | Le GPIO3 de la puce audio intégrée peut être configuré comme SDIN lors de l'utilisation du mode I2S |
7 | FOURMI | 0 | Sortie de signal RF , connexion à une antenne de 50 ohms | |
8.9,10,12 | GND | 0V | Connectez-vous au pôle négatif de l'alimentation | |
11 | VCC | +3,3-5,0 V | Entrée d'alimentation positive (+3,3 V-5,0 V, typiquement 4,2 V) | |
13 | TXLED | O | 0-3,3 V | Indication de sortie : élevée lors de la transmission, faible lorsqu'elle ne l'est pas. |
14 | GPIO2 | E/S | 0-3,3 V | Connectez le GPIO2 de la puce audio au mode I2S en tant que MCLK. |
15 | GPIO1 | E/S | 0-3,3 V | Connectez GPIO1 de la puce audio au mode I2S en tant que SCK. |
16 | MIC_N | je | Extrémité négative de l'entrée du microphone, connectez-la à GND | |
1 7 | MIC_P | je | Extrémité positive de l'entrée du microphone (le meilleur signal est inférieur à 2 00 mVrms) | |
18 | GPIO0 | E/S | 0-3,3 V | Le GPIO0 de la puce audio intégrée peut être configuré comme LRCK lors de l'utilisation du mode I2S |
SA316-RX

| Broche N° | Nom de la broche | E/S | Niveau standard | Description |
| 1 | VCC | +3,3 V | Entrée d'alimentation positive (2,8 V-3,6 V, typiquement 3,3 V) | |
| 2, 7, 9, 13, 16, 19, 21, 23, 25, 27 | GND | 0V | Connectez-vous au pôle négatif de l'alimentation | |
| 3 | TXD | O | 0-3,3 V | Sortie de données série |
| 4 | RXD | je | 0-3,3 V | Entrée de données série |
| 5 | ENSEMBLE | je | 0-3,3 V | Fonction temporairement réservée |
| 6 | CS | je | 0-3,3 V | Broche de veille du module (travail de bas niveau, veille de haut niveau) |
| 8 | DIRIGÉ | O | 0-3,3 V | Indication de sortie, sortie haute après réception du signal, basse en l'absence de signal |
| 10 | GPIO4 | I/0 | 0-3,3 V | GPIO4 de la puce audio intégrée |
| 11 | GPIO3 | E/S | 0-3,3 V | Le GPIO3 de la puce audio intégrée peut être configuré comme MCLK lors de l'utilisation du mode I2S |
| 12 | GPIO2 | E/S | 0-3,3 V | Le GPIO2 de la puce audio intégrée peut être configuré comme SDIO lors de l'utilisation du mode I2S |
| 15 | FOURMI | je | Entrée de signal RF, connexion à une antenne de 50 ohms | |
| 17 | GPIO1 | E/S | 0-3,3 V | Le GPIO1 de la puce audio intégrée peut être configuré comme SCK lors de l'utilisation du mode I2S |
| 18 | GPIO0 | E/S | 0-3,3 V | Le GPIO0 de la puce audio intégrée peut être configuré comme LRCK lors de l'utilisation du mode I2S |
| 20 | AOL+ | O | Borne négative de sortie audio de la puce (jusqu'à 600 mVrms) | |
| 22 | AOR+ | 0 | Borne positive de sortie audio de la puce (jusqu'à 600 mVrms) | |
| 24 | LOUL LOUT+ | O | La sortie audio amplifiée est la sortie du canal gauche, qui peut piloter directement un casque après avoir connecté des condensateurs 100UF en série | |
| 26 | ROUT+ | O | La sortie audio amplifiée est la sortie du canal droit, qui peut piloter directement le casque après avoir connecté un condensateur 100UF en série | |
| 28 | VOL_ADJ | je | Laisser flotter |
SA316-TX

SA316-RX

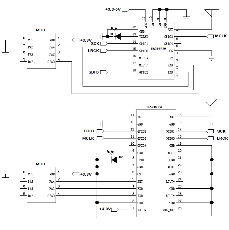
SA316F30-TX

politique de confidentialité
· Politique de confidentialité
Il n'y a actuellement aucun contenu disponible
Courriel : sales@nicerf.com
Tél : +86-755-23080616