Le module NR60 est un module de traitement audio développé par NiceRF, intégrant la réduction du bruit et l'annulation de l'écho.
Paramètres | Condition | Min. | Typique | Max. | Unité |
Alimentation électrique | 3.3 | 5.5 | V | ||
Température de fonctionnement | - 20 | 25 | 85 | °C | |
Consommation actuelle | |||||
Courant de fonctionnement | 22 | mA | |||
Paramètres de réduction du bruit | |||||
Rapport signal/bruit | Rapport puissance du signal / bruit de fond | -5< SNR < 0 | |||
Suppression maximale du bruit | Bruit ambiant du microphone | ≤80 | db | ||
Distance vocale | Distance entre la personne et le microphone | <10 | cm | ||
Filtre les sons tels que : le bruit stationnaire, le bruit de la musique, le bruit du vent, le bruit aléatoire transitoire, le bruit mécanique et d'autres bruits de voix non humains
le temps entre la réduction du bruit d'entrée MIC et la sortie audio HPOUT est de 76 ms
Taux d'échantillonnage : 16K, 16 bits
Éducation en ligne
Divertissement social
Différents scénarios nécessitant une filtration du bruit de fond


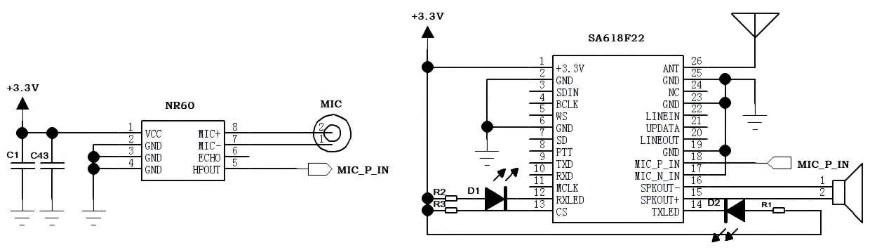
Broche NON | Nom de la broche | E/S | Description |
1 | VCC | Borne positive de l'alimentation externe (minimum 3,3 V, maximum 5,5 V) | |
2,3,4 | GND | Connecter à la terre | |
5 | HPOUT | O | la broche de sortie audio est généralement connectée à la broche MIC_IN du produit du client |
6 | ÉCHO | je | Flottant |
7 | MIC- | je | Broche d'entrée négative du microphone |
8 | MIC+ | je | Broche d'entrée positive du microphone |

politique de confidentialité
· Politique de confidentialité
Il n'y a actuellement aucun contenu disponible
Courriel : sales@nicerf.com
Tél : +86-755-23080616