Contactez-nous
| Paramètres | Min. | Typique | Max. | Unité | Condition |
| État de fonctionnement | |||||
| Plage de tension | 3.3 | 5.0 | 5.5 | V | |
| Température de fonctionnement | -40 | 25 | +85 | °C | |
| Consommation actuelle | |||||
| Courant Rx | < 9 | mA | Niveau TTL/RS232 | ||
| <13 | mA | niveau RS485 | |||
| Courant Tx | < 110 | mA | |||
| Courant de sommeil | < 220 | uA | Niveau TTL/RS232 | ||
| Paramètres RF | |||||
| Gamme de fréquences | 414,92 | 433,92 | 453,92 | MHz | à 433 MHz |
| 470,92 | 490,92 | 509,92 | MHz | à 490 MHz | |
| 849,92 | 868,92 | 888,92 | MHz | @868MHz | |
| 895,92 | 914,92 | 934,92 | MHz | à 915 MHz | |
| Débit de données | 1312 | 62500 | bps | @LoRa | |
| Puissance de sortie | 1 | +22 | dBm | Niveau de logiciel 7 réglable | |
| Sensibilité | -129 | dBm | à 1,3 Kbps | ||
Remarque : si vous avez besoin d'une consommation d'énergie en veille inférieure, veuillez nous contacter pour envoyer la version « courant de veille = 5 uA » ou « courant de veille = 15 uA ».
| Interface | TTL, RS232, RS485 |
| Réseau | ENGRENER |
| Fréquence | 433 MHz, 470 MHz, 868 MHz, 915 MHz |
| Modulation | LoRa |
| Puissance de sortie | 160 mW |
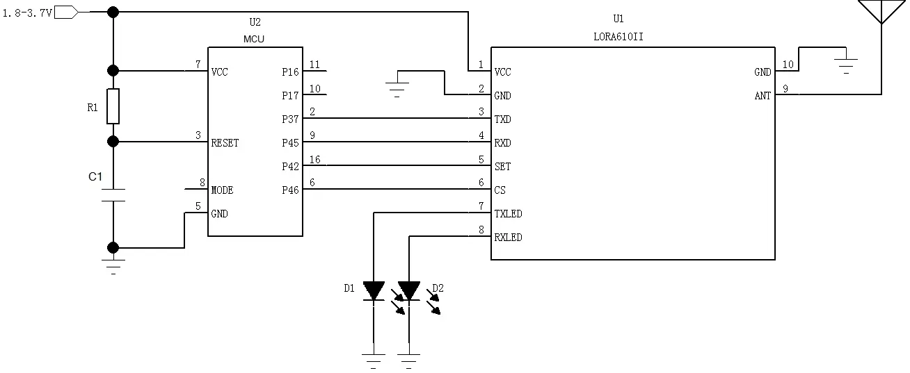
Interface TTL/RS232/RS485


| NON. | ÉPINGLE | Description |
| 1 | VCC | Connectez-vous au pôle positif de l'alimentation (externe 3,3-5,5 V) |
| 2 | GND | Connecter à la terre |
| 3 | TXD/A+ | Transmission de données de communication série |
| 4 | RXD/B- | Réception de données de communication série |
| 5 | ENSEMBLE | Bas = mode de réglage, haut = mode de fonctionnement normal. |
| 6 | CS | Laisser ouvert lorsque l'interface RS485, Haut : mode de fonctionnement, L = mode veille (pour TTL ou RS232). |

politique de confidentialité
· Politique de confidentialité
Il n'y a actuellement aucun contenu disponible
Courriel : sales@nicerf.com
Tél : +86-755-23080616