Contactez-nous
| Min. | Typique | Max. | Unité | Condition | |
| État de fonctionnement | |||||
| Plage de tension | 1.8 | 3.3 | 3.7 | V | |
| Température de fonctionnement | -40 | 25 | +85 | °C | |
| Consommation actuelle | |||||
| Courant Rx | <8 | mA | Niveau TTL | ||
| Courant Tx | < 110 | mA | |||
| Courant de sommeil | < 5 | uA | |||
| Paramètres RF | |||||
| Gamme de fréquences | 414,92 | 433,92 | 453,92 | MHz | à 433 MHz |
| 470,92 | 490,92 | 509,92 | MHz | à 490 MHz | |
| 849,92 | 868,92 | 888,92 | MHz | @868MHz | |
| 895,92 | 914,92 | 934,92 | MHz | à 915 MHz | |
| Débit de données | 1312 | 62500 | bps | @LoRa | |
| Puissance de sortie | 1 | +22 | dBm | Niveau de logiciel 7 réglable | |
| Sensibilité | -129 | dBm | à 1,3 Kbps | ||
| Interface | TTL |
| Réseau | ENGRENER |
| Fréquence | 433 MHz, 470 MHz, 868 MHz, 915 MHz |
| Modulation | LoRa |
| Puissance de sortie | 160 mW |


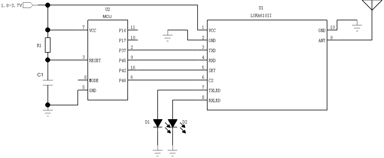
| NON. | ÉPINGLE | Description |
| 1 | VCC | Connectez-vous au pôle positif de l'alimentation (externe 1,8-3,7 V) |
| 2 | GND | Connecter à la terre |
| 3 | TXD | Transmission de données de communication série |
| 4 | RXD | Réception de données de communication série |
| 5 | ENSEMBLE | Mode de réglage activé lorsque CS est tiré vers le haut (0 : mode de réglage, 1 : mode de fonctionnement normal) |
| 6 | CS | 0 : Mode de fonctionnement, 1 : Mode veille. Communication normale lorsque le CS est bas ; basculez vers le haut ou passez en mode veille. Courant de veille < 5 uA. |
| 7 | TXLED | Indicateur LED, la LED clignote une fois lorsqu'un paquet est envoyé |
| 8 | RXLED | Indicateur LED, la LED clignote une fois lorsqu'un paquet est reçu |
| 9 | FOURMI | se connecter à une antenne de 50 ohms |
| 10 | GND | Masse de l'antenne |

politique de confidentialité
· Politique de confidentialité
Il n'y a actuellement aucun contenu disponible
Courriel : sales@nicerf.com
Tél : +86-755-23080616