Contactez-nous
| Paramètre | Min | TP | Max | Unité | Condition |
| Conditions de fonctionnement | |||||
| Tension d'alimentation | 1.8 | 3.3 | 3.6 | V | |
| Plage de température de fonctionnement | -40 | 25 | 85 | °C | |
| Consommation actuelle | |||||
| Courant d'émission | 6.8 | 8 | mA | à 3,3 V | |
| Recevoir le courant | 2.9 | mA | à 3,3 V | ||
| Courant de sommeil | 0,26 | mA | |||
| Fonction spéciale | Ant+ |
| Messages de configuration | ||
| Annuler l'attribution du canal | Attribuer un canal | Définir l'ID de la chaîne |
| Période de messagerie du canal | Délai d'expiration de la recherche de chaîne | Fréquence RF du canal |
| Définir la clé réseau | Puissance de transmission | Rechercher une forme d'onde |
| Ajouter l'ID de chaîne à la liste | Ajouter l'ID de cryptage à la liste | Liste des ID de configuration |
| Liste des identifiants de chiffrement de configuration | Définir la puissance d'émission du canal | Délai d'expiration de la recherche de canal à faible priorité |
| Activer les messages étendus | Configuration de la bibliothèque | Agilité de fréquence |
| Recherche de proximité | Priorité de recherche de chaîne | Configurer Advanced Burst |
| Configurer le filtre d'événements | Configurer les mises à jour sélectives des données | Définir le masque de mise à jour sélective des données (SDU) |
| Activer le cryptage à canal unique | Définir la clé de cryptage | 1.27 Définir les informations de cryptage |


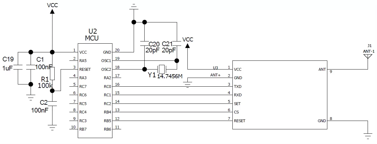
Broche N° | Nom de la broche | Description |
| 1 | VCC | Puissance positive |
| 2 | GND | Mise à la terre |
| 3 | TXD | TXD série |
| 4 | RXD | RXD série |
| 5 | ENSEMBLE | Accédez à la broche de contrôle du mode DFU (mise à niveau du micrologiciel), tirez-la vers le bas, puis donnez une impulsion basse à la broche RESET. Le module passera alors en mode DFU après le redémarrage. Tirez vers le haut ou laissez cette broche déconnectée pour activer le mode de fonctionnement normal à la mise sous tension ou à la réinitialisation. |
| 6 | CS | Broche de contrôle de veille, abaissez le module CS pour le mettre en veille, tirez-le vers le haut ou flottez pour que le module fonctionne normalement |
| 7 | RÉINITIALISER | Tirez cette broche vers le bas pour réinitialiser le module, tirez-la vers le haut ou flottant, le module fonctionnera normalement |
| 8 | GND | Mise à la terre |
| 9 | FOURMI | Interface d'antenne |

politique de confidentialité
· Politique de confidentialité
Il n'y a actuellement aucun contenu disponible
Courriel : sales@nicerf.com
Tél : +86-755-23080616