Paramètres | Conditions de test | Min. | Typique | Max | Unité |
Plage de tension | 1.8 | 3.3 | 3.6 | V | |
Température de fonctionnement | - 4 0 | 25 | 85 | °C | |
Signal d'entrée maximal | 10 | dBm | |||
Consommation actuelle | |||||
Courant de transmission | @3,3v | <120 | mA | ||
Recevoir le courant | <8 | mA | |||
Courant de sommeil | <1 | uA | |||
Paramètres RF | |||||
Gamme de fréquences | à 433 MHz | 400 | 460 | MHz | |
à 470 MHz | 470 | 510 | MHz | ||
@868MHz | 850 | 890 | MHz | ||
à 915 MHz | 900 | 940 | MHz | ||
Puissance de transmission | 20 | 21 | 22 | dBm | |
Sensibilité de réception | @BW=125KHz,SF=12 | -141 | dBm | ||
Erreur de fréquence | 10 | ppm | |||
Taux de modulation | @LoRa | 0,018 | 62,5 | kpbs | |
@FSK | 0,6 | 300 | kpbs | ||
Fréquence de la bande UHF : 433/470 MHz, 868/915 MHz
Gamme de fréquences personnalisable de 150 à 960 MHz
Distance de transmission en zone ouverte de plus de 5 000 mètres
Haute sensibilité du récepteur jusqu'à -141 dBm à BW = 125 kHz, SF = 12
Puissance de transmission réglable, jusqu'à 22 dBm
Interfaces diverses : UART, SPI, I2C, GPIO, ADC
Courant de veille :< 2uA
Courant de réception : < 10 mA
Processeur principal : CPU Arm® Cortex®-M4 32 bits
Fonctionnalités de sécurité : prend en charge le cryptage matériel 256 bits et la protection en lecture-écriture PCROP
Taille compacte avec conception de trou de tampon, facilitant le développement secondaire par les clients
Application
Agriculture intelligente
fabrication industrielle
Maison intelligente
Irrigation à distance


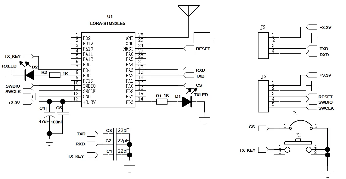
Broche N° | Nom de la broche | E/S | Description |
1 | PB2 | IO | E/S du microcontrôleur de la puce embarquée ; reportez-vous à la spécification de la puce pour les fonctions. |
2 | PB12 | IO | E/S du microcontrôleur de la puce embarquée ; reportez-vous à la spécification de la puce pour les fonctions. |
3 | PA10 | IO | E/S du microcontrôleur de la puce embarquée ; reportez-vous à la spécification de la puce pour les fonctions. |
4 | PA11 | IO | E/S du microcontrôleur de la puce embarquée ; reportez-vous à la spécification de la puce pour les fonctions. |
5 | PA12 | IO | E/S du microcontrôleur de la puce embarquée ; reportez-vous à la spécification de la puce pour les fonctions. |
6 | PB6 | IO | E/S du microcontrôleur de la puce embarquée, voir le livre de spécifications de la puce pour les fonctions spécifiques. |
7 | PB4 | je | E/S du microcontrôleur de la puce intégrée, le programme DEMO définit la broche du bouton de transmission ; appuyer sur le bouton transmet les données. |
8 | PB5 | IO | E/S du microcontrôleur de la puce intégrée, le programme DEMO définit la broche indicatrice de réception ; sortie haute lorsque des données sont reçues, sinon niveau bas. |
9 | PC13 | IO | E/S du microcontrôleur de la puce embarquée, voir le livre de spécifications de la puce pour les fonctions spécifiques. |
10 | SWDIO | IO | E/S du microcontrôleur de la puce embarquée, interface de programmation. |
11 | SWCLK | je | E/S du microcontrôleur de la puce embarquée, interface de programmation. |
12 | GND | - | Connectez-vous à l'alimentation négative. |
13 | VCC | - | Connectez-vous à l'alimentation positive. |
14 | PB3 | IO | E/S du microcontrôleur de la puce intégrée, le programme DEMO définit la broche indicatrice de transmission ; sortie haute lors de la transmission, basse lorsqu'elle ne transmet pas. |
15 | PB7 | IO | E/S du microcontrôleur de la puce embarquée, voir le livre de spécifications de la puce pour les fonctions spécifiques. |
16 | PB8 | IO | E/S du microcontrôleur de la puce embarquée, voir le livre de spécifications de la puce pour les fonctions spécifiques. |
17 | PA0 | IO | E/S du microcontrôleur de la puce embarquée, Le programme DEMO définit CS. |
18 | PA1 | IO | E/S du microcontrôleur de la puce embarquée, voir le livre de spécifications de la puce pour les fonctions spécifiques. |
19 | PA2 | IO | E/S du microcontrôleur de la puce embarquée, Le programme DEMO définit TXD. |
20 | PA3 | IO | E/S du microcontrôleur de la puce embarquée, Le programme DEMO définit RXD. |
21 | PA4 | IO | E/S du microcontrôleur de la puce embarquée, voir le livre de spécifications de la puce pour les fonctions spécifiques. |
22 | PA5 | IO | E/S du microcontrôleur de la puce embarquée, voir le livre de spécifications de la puce pour les fonctions spécifiques. |
23 | PA6 | IO | E/S du microcontrôleur de la puce embarquée, voir le livre de spécifications de la puce pour les fonctions spécifiques. |
24 | NRST | je | E/S du microcontrôleur de la puce embarquée, broche de réinitialisation de la puce, active basse. |
25 | GND | - | Connectez-vous à l'alimentation négative. |
26 | FOURMI | Connectez-vous à une antenne externe de 50 ohms. |

politique de confidentialité
· Politique de confidentialité
Il n'y a actuellement aucun contenu disponible
Courriel : sales@nicerf.com
Tél : +86-755-23080616