Le module LoRa1121F33-1G9 est basé sur la puce LR1121 de SEMTECH, un émetteur-récepteur LoRa ultra-basse consommation et longue portée prenant en charge les communications en bande S sub-GHz et par satellite. Le LoRa1121F33-1G9 prend en charge LoRa, la modulation (G)FSK, le protocole Sigfox et LR-FHSS. Il est compatible avec le protocole de communication LoRaWAN et peut fonctionner comme nœud LoRaWAN. De plus, il offre des options de configuration flexibles pour répondre aux exigences de diverses applications et protocoles propriétaires.
Paramètres | Conditions de test | Min. | Typique | Max | Unité |
Plage de tension | 3.0 | 5 | 5.5 | V | |
Température de fonctionnement | -40 | 25 | 85 | °C | |
Signal d'entrée maximal | 10 | dBm | |||
Consommation actuelle | |||||
Courant de transmission | à 433 MHz | < 900 | mA | ||
à 1,9 GHz | < 750 | mA | |||
Recevoir le courant | < 9 | mA | |||
Courant de sommeil | < 18 | uA | |||
Paramètres RF | |||||
Gamme de fréquences | à 433 MHz | 400 | 470 | MHz | |
à 470 MHz | 470 | 510 | MHz | ||
@868MHz | 850 | 890 | MHz | ||
à 915 MHz | 900 | 940 | MHz | ||
Puissance de transmission | @Sub-GHz | 20 | 33 | dBm | |
@S Bande de fréquences | 17 | 29 | dBm | ||
Sensibilité de réception | BW = 62,5 kHz, SF = 12 @Sub-GHz | -142 | dBm | ||
BW = 125 kHz, SF = 12 @S Bande de fréquences | -132 | dBm | |||
Erreur de fréquence | 10 | ppm | |||
Taux de modulation (@sub-GHz) | @LoRa | 0,091 | 62,5 | Kbps | |
@FSK | 0,6 | 300 | Kbps | ||
Taux de modulation (bandes de fréquences @S ) | @LoRa | 0,292 | 87,5 | Kbps | |
Bandes sub-GHz : 433/470 MHz 2 W
Bandes sub-GHz : 868/915 MHz 1 W (personnalisables : 150 ~ 960 MHz)
Bande S : 1 900 MHz ~ 2 000 MHz 1 W (haute puissance 2,4 G personnalisable)
Sensibilité de la bande S : jusqu'à -132 dBm à BW = 125 KHz, SF = 12
Sensibilité de réception sub-GHz : jusqu'à -144 dBm à BW = 62,5 kHz, SF = 12
Protection électrostatique (ESD)
Prend en charge LR-FHSS
Prend en charge les protocoles LoRaWAN et Sigfox
Prend en charge le cryptage et le décryptage AES-128
La transmission sub-GHz dépasse 10 km dans les zones ouvertes
Courant de veille < 18 µA
Courant de réception < 9 mA
Petite taille, conception de trou de tampon
Drones
Irrigation à distance
Maison intelligente/Agriculture intelligente
fabrication industrielle


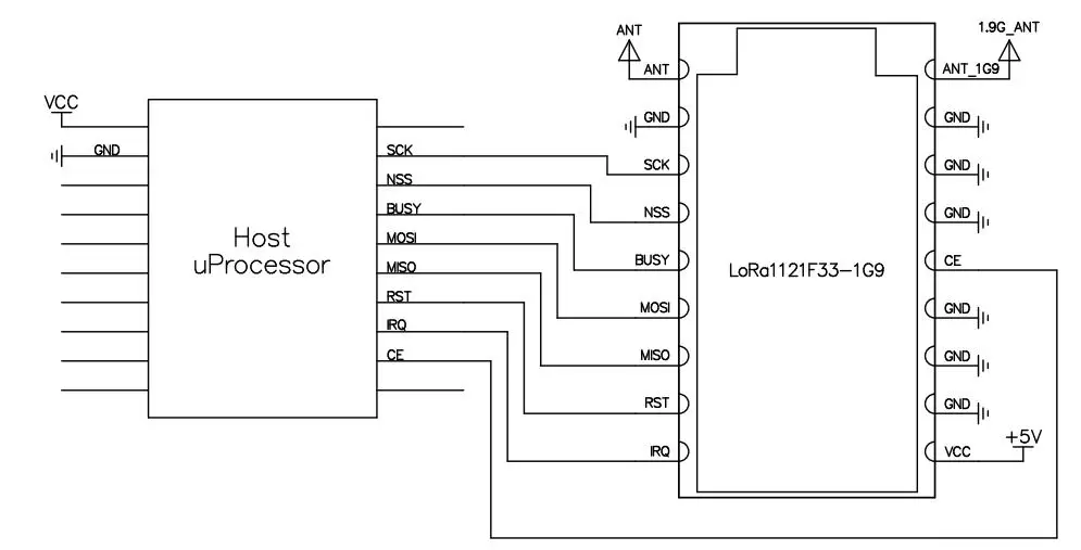
Broche N° | Nom de la broche | E/S | Description | Broche N° | |
1 | VCC | Connectez-vous à l'alimentation positive | |||
2,3,4,6,7,8,11 | GND | Connectez-vous à l'alimentation négative | |||
5 | CE | je | 0-5,5 V | Broche de commande d'activation du LDO interne : tirer vers le haut ou laisser flottant pour fonctionner, connecter à la masse pour le mode veille. Tirer vers le haut en interne. | |
9 | ANT_1G9 | Interface d'antenne 1,9 GHz, antenne externe 50 ohms | |||
10 | FOURMI | Interface d'antenne Sub-G, antenne externe 50 ohms | |||
12 | SCK | je | 0-3,3 V | Entrée d'horloge SPI | |
13 | NSS | je | 0-3,3 V | Entrée de sélection de puce SPI | |
14 | OCCUPÉ | O | 0-3,3 V | Utilisé pour l'indication d'état, reportez-vous à la fiche technique de la puce pour plus de détails | |
15 | MOSI | je | 0-3,3 V | Saisie de données SPI | |
16 | MISO | O | 0-3,3 V | Sortie de données SPI | |
17 | RÉINITIALISER | je | 0-3,3 V | Réinitialiser l'entrée de déclenchement, reportez-vous à la fiche technique de la puce pour plus de détails | |
18 | IRQ | O | 0-3,3 V | Interface numérique polyvalente, reportez-vous à la fiche technique de la puce pour plus de détails | |

politique de confidentialité
· Politique de confidentialité
Il n'y a actuellement aucun contenu disponible
Courriel : sales@nicerf.com
Tél : +86-755-23080616