Contactez-nous
Remarque : un LDO 3,3 V de haute qualité est intégré et la broche CS/SET est une interface 3,3 V. TXD/RXD est également 3,3 V pour SV610-TTL.
| Paramètres | Min. | Typique | Max. | Unité | Condition |
| État de fonctionnement | |||||
| Plage de tension | 3.3 | 5.0 | 7.0 | V | Niveau TTL |
| Température de fonctionnement | -40 | 25 | +85 | °C | |
| Consommation actuelle | |||||
| Courant Rx | 25 | mA | Niveau TTL | ||
| Courant Tx | 95 | mA | à 20 dBm | ||
| Courant de sommeil | ≤5 | uA | Niveau @TTL | ||
| Paramètres RF | |||||
| Gamme de fréquences | 414,92 | 433,92 | 453,92 | MHz | à 433 MHz |
| 470,92 | 489,92 | 509,92 | MHz | à 470 MHz | |
| 849,92 | 868,92 | 888,92 | MHz | @868MHz | |
| 895,92 | 914,92 | 934,92 | MHz | à 915 MHz | |
| Débit de données | 1.2 | 9.6 | 115,2 | Kbps | GFSK |
| Puissance de sortie | -1 | / | +20 | dBm | |
| Sensibilité | -121 | dBm | à 1,2 kbps | ||
| Interface | TTL |
| Réseau | STAR, Point à point |
| Fréquence | 433 MHz, 470 MHz, 868 MHz, 915 MHz |
| Modulation | (G)FSK |
| Puissance de sortie | 100 mW |



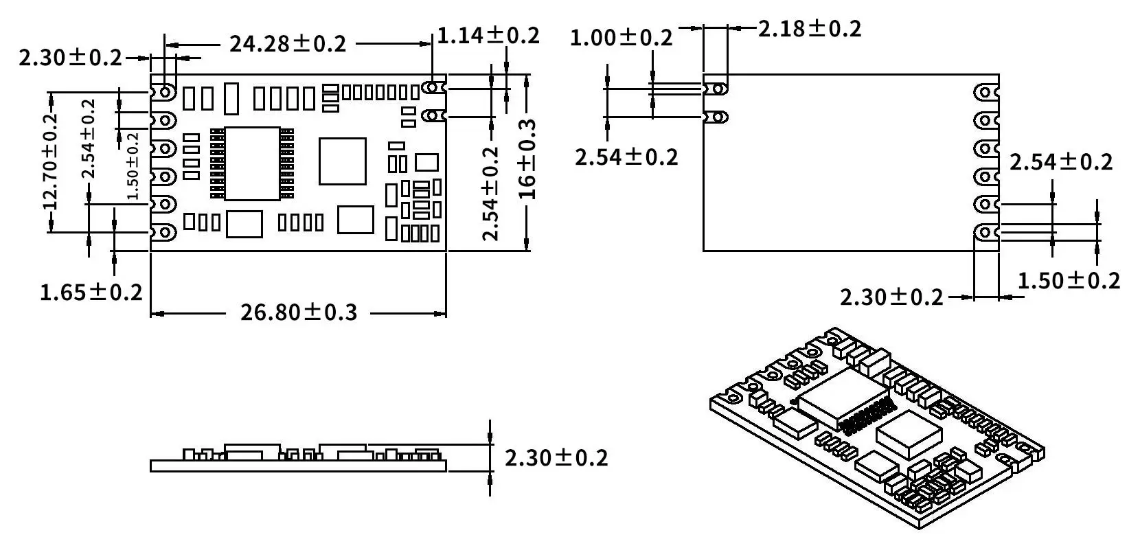
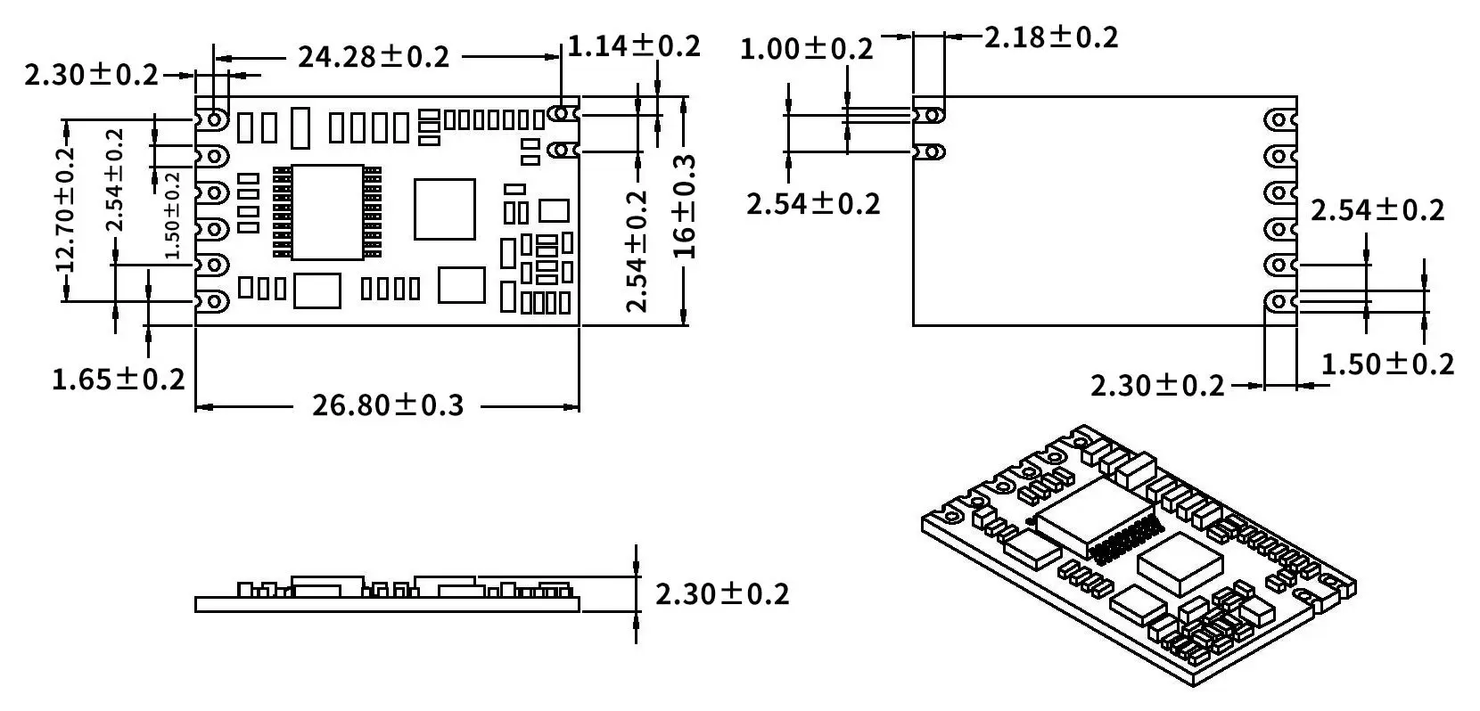
| Numéro de broche | Définition | Description |
| 1 | VCC | Connecté à l'alimentation positive (typiquement 5V) |
| 2 | GND | Connecté à la terre |
| 3 | TXD | TXD du module et connexion au RXD externe |
| 4 | RXD | RXD du module et connexion au TXD externe |
| 5 | ENSEMBLE | Activation du mode de configuration (bas pour entrer dans le mode de réglage, laisser ouvert ou connecter un niveau élevé pour quitter le mode de réglage) Valable lorsque la broche CS est haute ou laissée ouverte. |
| 6 | CS | Activation du fonctionnement du module (Tirez vers le bas pour faire passer le module en mode veille, laissez ouvert ou connectez un niveau élevé pour faire passer le module en mode de fonctionnement normal) |
| 7 | GND | Masse de l'antenne |
| 8 | FOURMI | Antenne d'accès (antenne coaxiale 50 ohms) |


politique de confidentialité
· Politique de confidentialité
Il n'y a actuellement aucun contenu disponible
Courriel : sales@nicerf.com
Tél : +86-755-23080616