Contactez-nous
| Paramètres | Min. | Typ. | Max. | Unité | Condition |
| Conditions de fonctionnement | |||||
| Puissance de fonctionnement | 2.2 | 3.3 | 3.8 | V | |
| Température de fonctionnement | -40 | 85 | ℃ | ||
| Consommation actuelle | |||||
| Courant de réception | 11 | mA | |||
| Courant d'émission | 22 | mA | @7dBm | ||
| Sommeil actuel | 0,3 | uA | |||
| Paramètres RF | |||||
| Fréquence | 403 | 433 | 463 | MHz | @433MHz |
| 838 | 868 | 898 | MHz | @868MHz | |
| Puissance de sortie | -17,5 | 7 | dBm | ||
| Sensibilité | -105 | dBm | @data=1,2 kbit/s | ||
| Modulation | (G) FSK |
| Fréquence | 433 MHz, 868 MHz, 915 MHz |
| Interface | Spice |



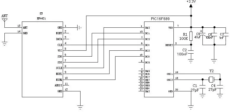
| Numéro de broche | Épingle | Description |
| 1 | GND | Connecté à la terre |
| 2 | NINT | Entrée d'interruption/sortie de détection de données efficace |
| 3 | DONNÉES | Sortie de données du récepteur (pas en mode FIFO) |
| 4 | CLK | Sortie d'horloge du microcontrôleur |
| 5 | VCC | Connectez-vous à une alimentation positive de 3,3 V |
| 6 | ODS | Sortie de données pour l'interface SPI |
| 7 | IDS | Entrée de données pour l'interface SPI |
| 8 | SCLK | Entrée horloge pour interface SPI |
| 9 | nSEL | Sélection de données série pour les interfaces SPI. |
| 10 | nIRQ | Sortie d'interruption |
| 11 | ARSI | Sortie RSSI analogique |
| 12 | GND | Connecté à la terre |
| 13 | FOURMI | Connecté à une antenne coaxiale de 50 ohms |
| 14 | GND | Connecté à la terre |

politique de confidentialité
· Politique de confidentialité
Il n'y a actuellement aucun contenu disponible
Courriel : sales@nicerf.com
Tél : +86-755-23080616