Type: (G)FSK Front-End Modules
Certification: FCC ID,IC ID
Modulation: (G)FSK
Chip: nRF24L01+
Interfacce: SPI
Output Power: 1mW
Frequency: 2.4GHz
Taille (mm):22,61*12,89
| Paramètre | Min | Type | Max | Unité | Condition |
| État de fonctionnement | |||||
| Plage de tension de fonctionnement | 1.9 | 3.3 | 3.6 | V | |
| Tension de température | -40 | 85 | °C | ||
| Consommation actuelle | |||||
| courant RX | 23,5 | 24 | mA | ||
| courant TX | 135 | 150 | mA | à 20 dBm | |
| Courant de sommeil | <1 |
| uA |
| |
| Paramètre RF | |||||
| Gamme de fréquences | 2400 |
| 2525 | MHz |
|
| Taux de modulation | 250 |
| 2000 | Kbps | GFSK |
| Plage de puissance d'émission | 4 |
| 20 | dBm | Puissance 0=5dBm, 3=20dBm |
| Puissance d'émission maximale | 18,5 | 20 |
| dBm |
|
| Sensibilité de réception | -100 | -102 |
| dBm | @data=250kbps |
| Modulation | (G) FSK |
| Ébrécher | nrf24l01 + |
| Fréquence | 2,4 GHz |
| Puissance de sortie | 100 MW |
| Certification | FCC IC, CE-RED, IC ID, Telec |
| Interface | Spice |



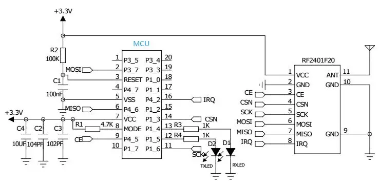
| Broche NO. | Nom de la broche | Description |
| 1 | VCC | Alimentation positive (1,9-3,6 V) |
| 2 | GND | Connectez le pôle négatif de l'alimentation |
| 3 | CE | Sélection de puce pour activer la transmission ou la réception |
| 4 | CSN | Sélection de la puce SPI |
| 5 | SCK | Horloge série pour interface SPI |
| 6 | MOSI | Entrée de données esclave SPI |
| 7 | MISO | Sortie de données esclave SPI |
| 8 | IRQ | Broche d'interruption programmable, actif bas |
| 9 | GND | Connectez le pôle négatif de l'alimentation |
| 10 | GND | Connectez le pôle négatif de l'alimentation |
| 11 | FOURMI | Connectez-vous avec une antenne coaxiale de 50 ohms |

politique de confidentialité
· Politique de confidentialité
Il n'y a actuellement aucun contenu disponible
Courriel : sales@nicerf.com
Tél : +86-755-23080616