Type: (G)FSK Front-End Modules
Certification: FCC ID,IC ID
Modulation: (G)FSK
Chip: si4463
Interfacce: SPI
Output Power: 100mW
Frequency: 915MHz
Taille (mm):17,3*17
Modèle de commande | Type de produit (personnalisable 142-1050MHz) |
RF4463PRO-150 | La bande de fréquence centrale de travail est de 142 à 175 MHz |
RF4463PRO-315 | La bande de fréquence centrale de travail est de 300 à 350 MHz |
RF4463PRO-433 | La bande de fréquence centrale de travail est de 433 MHz |
RF4463PRO-433-CE | La bande de fréquence centrale de travail est de 433 MHz, version certifiée CE |
RF4463PRO-433-FCC | La bande de fréquence centrale de travail est de 433 MHz, version certifiée FCC |
RF4463PRO-470 | La bande de fréquence centrale de travail est de 470 MHz |
RF4463PRO-868 | La bande de fréquence centrale de travail est de 868 MHz |
RF4463PRO-868-CE | La bande de fréquence centrale de travail est de 868 MHz, version certifiée CE |
RF4463PRO-915 | La bande de fréquence centrale de travail est de 915 MHz, a passé les tests FCC et IC |
| Paramètre | Min | Type | Max | Unité | Condition |
| État de fonctionnement | |||||
| Plage de tension de fonctionnement | 1.8 | 3.3 | 3.6 | V | |
| Tension de température | -40 | 85 | °C | ||
| Consommation actuelle | |||||
| Courant de réception | 13,5 | mA | Mode haute performance | ||
| Courant de réception | 10.7 | mA | Mode basse consommation | ||
| Courant de transmission | 85 | mA | à 20 dBm | ||
| Courant de sommeil | < 0,1 | uA | |||
| Paramètre RF | |||||
| Gamme de fréquences | 142 | 150 | 175 | MHz | à 150 MHz |
| 300 | 315 | 350 | MHz | à 350 MHz | |
| 403 | 433 | 463 | MHz | à 433 MHz | |
| 470 | 490 | 510 | MHz | à 470 MHz | |
| 820 | 868 | 880 | MHz | à 868 MHz, 19 dBm | |
| 900 | 915 | 930 | MHz | à 915 MHz, 18,5 dBm | |
| Taux de modulation | 0,123 | 1000 | Kbps | FSK | |
| Plage de puissance de sortie | -5 | 20 | dBm | ||
| Sensibilité de réception | -126 | dBm | @Débit de données = 500 bps | ||
| Modulation | (G)FSK |
| Ébrécher | si4463 |
| Fréquence | 433 MHz |
| Puissance de sortie | 100 mW |
| Certification | Identification FCC, CE-RED |
| Interface | SPI |


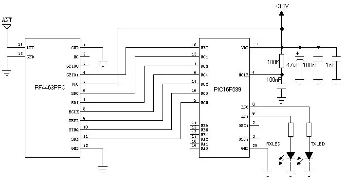
| Broche N° | Nom de la broche | Description |
| 1 | GND | Mise à la terre |
| 2 | Caroline du Nord | Caroline du Nord |
| 3 | GPIO0 | Connectez-vous directement à la broche GPIO0 de la puce |
| 4 | GPIO1 | Connectez-vous directement à la broche GPIO1 de la puce |
| 5 | VCC | Alimentation positive 3,3 V |
| 6 | SDO | Sortie numérique 0~VDD V, fournit une fonction de relecture série au registre de contrôle interne |
| 7 | SDI | Entrée de données série. Entrée numérique 0~VDD V. Cette broche est un bus de flux de données série à 4 fils. |
| 8 | SCLK | Entrée d'horloge série. Entrée numérique 0~VDD V. Cette broche fournit une fonction d'horloge de données série à 4 fils. |
| 9 | nSEL | Broche d'entrée de sélection d'interface série. Entrée numérique 0 à VDD V. Cette broche permet de sélectionner/activer le bus de données série à 4 fils. Ce signal sert également à indiquer le mode lecture/écriture en rafale. |
| 10 | nIRQ | Sortie d'interruption |
| 11 | Réseau de développement logiciel (SDN) | Broche d'activation de la puce. Entrée numérique 0 à VDD V. SDN = 0 dans tous les modes, sauf le mode arrêt. Lorsque SDN = 1, la puce est complètement arrêtée et le contenu du registre est perdu. |
| 12 | GND | Mise à la terre |
| 13 | GND | Mise à la terre |
| 14 | FOURMI | Connectez-vous avec une antenne coaxiale de 50 ohms |

politique de confidentialité
· Politique de confidentialité
Il n'y a actuellement aucun contenu disponible
Courriel : sales@nicerf.com
Tél : +86-755-23080616