Nov . 2024
Le module LoRa1121F33-1G9 est construit sur la puce LR1121 de SEMTECH, un émetteur-récepteur LoRa longue portée à très faible consommation prenant en charge la communication en bande S sub-GHz et connectée par satellite. Le LoRa1121F33-1G9 prend en charge LoRa, la modulation (G)FSK, le protocole Sigfox et LR-FHSS. Il est compatible avec le protocole de communication LoRaWAN et peut fonctionner comme un nœud LoRaWAN. De plus, il offre des options de configuration flexibles pour répondre aux exigences de diverses applications et protocoles propriétaires.
Caractéristiques du module LoRa LoRa1121F33-1G9
Bandes sous-GHz : 433/470 MHz 2W
Bandes sub-GHz : 868/915 MHz 1 W (personnalisable : 150 ~ 960 MHz)
Bande S : 1900 MHz ~ 2000 MHz 0,8 W
Sensibilité de la bande S : jusqu'à -132 dBm @ BW=125 KHz, SF=12
Sensibilité de réception inférieure au GHz : jusqu'à -144 dBm à BW=62,5 KHz, SF=12
Protection électrostatique (ESD)
Prend en charge LR-FHSS
Prend en charge les protocoles LoRaWAN et Sigfox
Prend en charge le cryptage et le décryptage AES-128
La transmission sub-GHz dépasse 10 km dans les zones ouvertes
Courant de veille < 15µA
Courant de réception < 9 mA
Petite taille, conception de trou de tampon
Drones
Irrigation à distance
Maison intelligente/agriculture intelligente
Fabrication industrielle
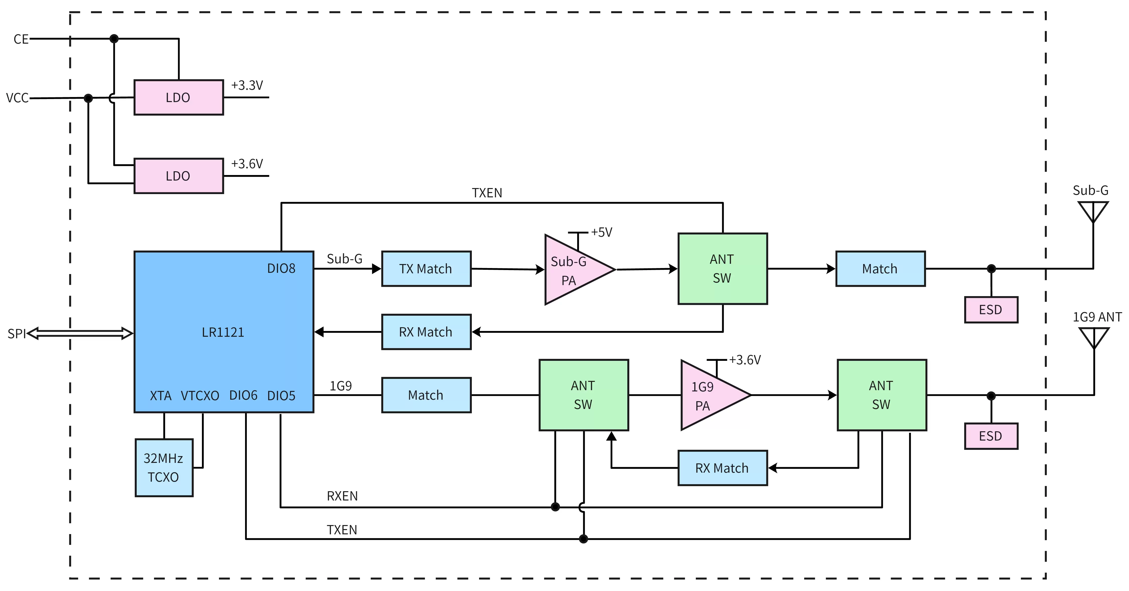
Schéma fonctionnel

Caractéristiques électriques
Paramètres | Conditions d'essai | Min. | Typ. | Max. | Unité |
Plage de tension | 3.0 | 5 | 5.5 | V | |
Température de fonctionnement | -40 | 25 | 85 | ℃ | |
Signal d'entrée maximal | 10 | dBm | |||
Consommation actuelle | |||||
Transmettre le courant | @433MHz | < 900 | mA | ||
@1,9 GHz | < 1000 | mA | |||
Recevoir le courant | < 9 | mA | |||
Courant de sommeil | < 15 | uA | |||
Paramètres RF | |||||
Gamme de fréquences | @433MHz | 400 | 470 | MHz | |
@470MHz | 470 | 510 | MHz | ||
@868MHz | 850 | 890 | MHz | ||
@915MHz | 900 | 940 | MHz | ||
Puissance de transmission | @Sous-GHz | 20 | 33 | dBm | |
Bande de fréquence @S | 5 | 29 | dBm | ||
Recevez la sensibilité | Bande passante = 62,5 kHz, SF = 12. @Sous-GHz | -142 | dBm | ||
Bande passante = 125 kHz, SF = 12. Bande de fréquence @S | -132 | dBm | |||
Erreur de fréquence | 10 | ppm | |||
Taux de modulation (@sub-GHz) | @LoRa | 0,091 | 62,5 | Kbit/s | |
@FSK | 0,6 | 300 | Kbit/s | ||
Taux de modulation (@S Bandes de fréquences ) | @LoRa | 0,292 | 87,5 | Kbit/s | |
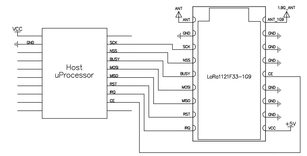
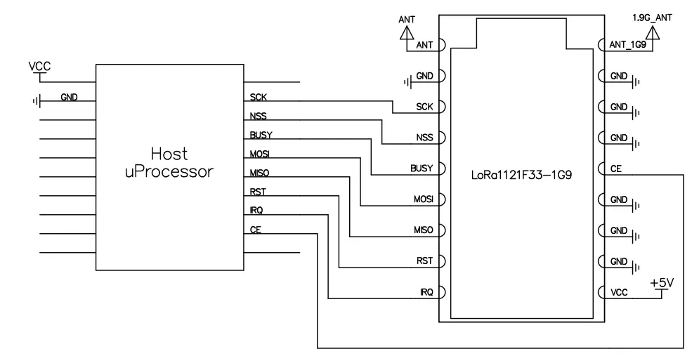
Circuit schématique typique

Niveau de puissance | 433 MHz | 1,9 GHz | ||
Puissance de sortie ( dBm) | Courant ( mA) | Puissance de sortie ( dBm) | Puissance de sortie ( mA) | |
0 | 20.1 | 419 | 5.0 | 112 |
1 | 22.6 | 427 | 8.7 | 131 |
2 | 25.3 | 445 | 11.0 | 152 |
3 | 27.2 | 485 | 13.7 | 181 |
4 | 29.3 | 551 | 16.7 | 233 |
5 | 30,8 | 628 | 19,8 | 308 |
6 | 31,7 | 691 | 22,7 | 404 |
7 | 32.2 | 734 | 23.9 | 434 |
8 | 32,6 | 775 | 24.4 | 482 |
9 | 32,9 | 817 | 29.6 | 920 |
Tension de fonctionnement ( v) | 433 MHz | 1,9 GHz | ||
Puissance ( dBm) | Courant ( mA) | Puissance ( dBm) | Courant ( mA) | |
3.0 | 28,0 | 506 | 27,8 | 745 |
3.5 | 29,5 | 604 | 29.1 | 846 |
4.0 | 30,7 | 678 | 30,0 | 912 |
4.5 | 31,7 | 736 | 30.3 | 920 |
5.0 | 32,6 | 810 | 30.3 | 920 |
5.5 | 33.3 | 844 | 30.3 | 920 |
Dimension du mécanisme (unité : mm)

Annexe 1 : Tableau de démonstration des fonctions

La carte de démonstration comporte trois boutons : SET, UP et DOWN. Leurs fonctions sont les suivantes :
Boutons | Fonctions |
Appuyez brièvement sur la touche SET | Confirmez ou entrez dans le niveau suivant de l'interface |
Touche SET Appui long | Revenir à l'interface précédente |
Appui court sur la touche HAUT | Déplacer le curseur vers le haut ou augmenter le paramètre de 1 |
Touche HAUT Appui long | Augmenter le paramètre |
Touche BAS Appui court | Déplacer le curseur vers le bas ou diminuer le paramètre de 1 |
Touche BAS Appui long | Diminuer le paramètre |
Méthode de fonctionnement :
Assurez-vous d'une alimentation électrique normale, puis basculez l'interrupteur d'alimentation pour allumer l'alimentation. L'écran de la carte DEMO affichera l'interface de fonction actuelle. Appuyez brièvement sur la touche SET pour entrer dans le mode de réglage. Pour sélectionner une option, appuyez brièvement sur la touche SET ; pour revenir, appuyez longuement sur la touche SET. Utilisez les touches UP et DOWN pour sélectionner le paramètre que vous souhaitez ajuster. Enfin, appuyez brièvement sur la touche SET pour terminer la modification.
nMode : Fonction
n Bande : Bande de fréquence
n FREQ : Fréquence
n SF : Facteur d'étalement
n BW : bande passante
n PUISSANCE : Puissance
n CR : Rat codant
+86-755-23080616
sales@nicerf.com
Site Internet : https://www.nicerf.com/
Adresse : 309-314, 3/F, bâtiment A, bâtiment commercial de Hongdu, zone 43, Baoan Dist, Shenzhen, Chine
politique de confidentialité
· Politique de confidentialité
Il n'y a actuellement aucun contenu disponible
Courriel : sales@nicerf.com
Tél : +86-755-23080616