Contactez-nous
| Paramètres | Min. | Typique | Max. | Unité | Condition |
| État de fonctionnement | |||||
| Plage de tension | 2.8 | 5.0 | 6,5 | V | |
| Température de fonctionnement | -40 | 25 | +85 | °C | |
| Consommation actuelle | |||||
| Courant Rx | 20 | mA | |||
| Courant Tx | 19 | mA | |||
| Courant de sommeil | 11 | uA | |||
| Paramètres RF | |||||
| Gamme de fréquences | 2.4 | - | 2.484 | GHz | |
| Débit en bauds série | 1200 | 9600 | 115200 | bps | |
| Puissance d'émission | -18 | - | +3 | dBm | Configurable |
| Fonction spéciale | Balise |


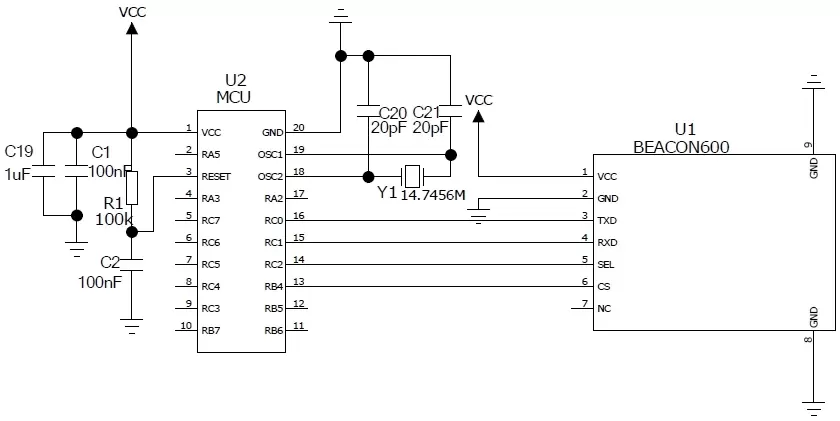
| Broche N° | Nom de la broche | Description |
| 1 | VCC | Connecté à l'alimentation positive (typiquement 5V) |
| 2 | GND | Connecté à la terre |
| 3 | TXD | TXD du module et connexion au RXD externe |
| 4 | RXD | RXD du module et connexion au TXD externe |
| 5 | ENSEMBLE | Activation du mode de configuration (bas pour entrer dans le mode de réglage, laisser ouvert ou connecter un niveau élevé pour quitter le mode de réglage) Valable lorsque la broche CS est haute ou laissée ouverte. |
| 6 | CS | Activation du module de fonctionnement (niveau bas pour la veille, le courant sera inférieur à 40 uA, niveau élevé par défaut). |
| 7 | Caroline du Nord | |
| 8 | GND | Connecté à la terre |
| 9 | GND | Connecté à la terre |

politique de confidentialité
· Politique de confidentialité
Il n'y a actuellement aucun contenu disponible
Courriel : sales@nicerf.com
Tél : +86-755-23080616